Zurück zu
>
Roth / TORO
>
Handgeräte
>
Schneefräsen
>
einstufig
>
CR 1000
>
603/38195
>
0000001
>
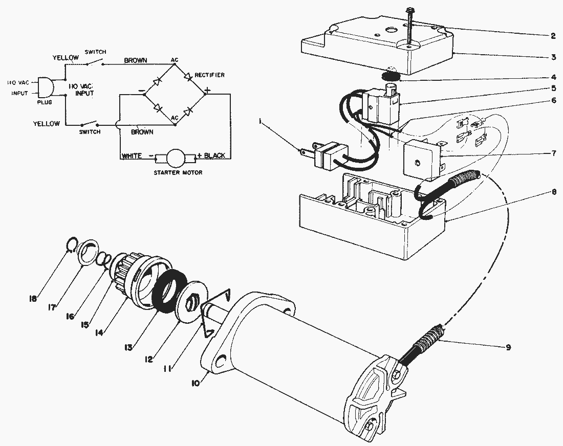
Startermotor & Schalter (Modell-Nr. 38195)
Ersatzteillisten für Toro Roth / TORO Startermotor & Schalter (Modell-Nr. 38195)
Pos.
Bezeichnung
Ersatzteilnummer
Starter & Switch Assembly (Incl. Ref.
28-915
Pos.
Bezeichnung
Ersatzteilnummer
1
Plug
36-8370
2
Plastite Screw
61-4830
3
Cap-Switch Housing (Model No. 38185C only)
66-1760
4
Abdeckkappe
61-4810
5
Schalter
61-4820
6
Wire-Switch to Rectifier
36-8360
7
Gleichrichter
37-7600
8
Base-Switch Housing (Model No. 38185C only)
66-1750
9
Cable Cover
33-5130
10
Verweisblatt F. E-Starter
28-9140
11
Clip-Retaining
5-6530
12
13
Gummiring
25-3400
14
15
Scheibe
33-5570
16
Druckfeder
33-3230
17
Kappe
33-3210
18
Wellensicherung
32151-49
Zahnrad Kpl.
36-5350
Cord-7 Ft.
28-9170
Gebrauchsanweisungen
Toro
Roth / TORO
Aufsitzmäher
Handgeräte
Kehrmaschinen
Schneefräsen
Zubehör
zweistufig
einstufig
Snow Commander
CCR 3650 GTS
CCR 3000
CCR 2450
CCR 2400
CCR 2000
CR 1000
603/38196
603/38195
69000001
59000001
49000001
39000001
2000001
1000001
0000001
Starter Nr. 590537
Motor Tecumseh Modell-Nr. HSK600 Typ 1660-N (Modell-Nr. 38195)
Motor Tecumseh Modell-Nr. HSK600 Typ 1659-N (Modell-Nr. 38190)
Vergaser Nr. 632552
Holm
Startermotor & Schalter (Modell-Nr. 38195)
Motor (Modell-Nr. 38195)
Motor (Modell-Nr. 38190)
Rotor
Rotorgehäuse
oberer Abdeckung (Fortsetzung)
oberer Abdeckung
603/38191
CR 20
CR 20 R
S 620
S 200
CCR Powerlite
Sauger/Bläser
Rasenmäher
Robin
Impressum
(C) by motoruf