Craftsman LT 2000 (Hersteller MTD) 13AJ77SG699 (2011) Schaltplan ab 30.03.2011 Ersatzteile
Schaltplan ab 30.03.2011 13AJ77SG699 (2011)

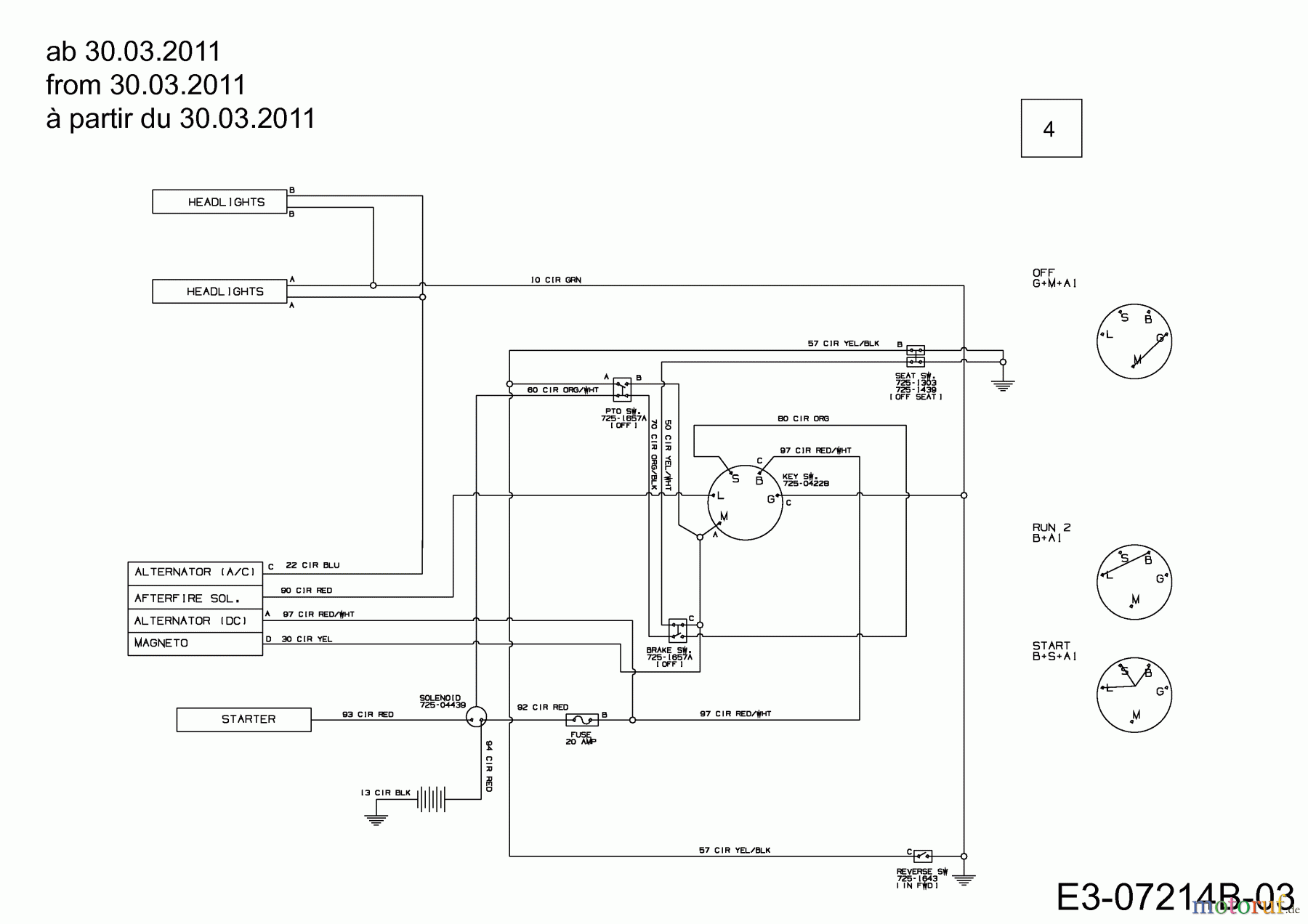
Hier finden Sie die Ersatzteilzeichnung für Craftsman Rasentraktoren LT 2000 (Hersteller MTD) 13AJ77SG699 (2011) Schaltplan ab 30.03.2011. Wählen Sie das benötigte Ersatzteil aus der Ersatzteilliste Ihres Craftsman Gerätes aus und bestellen Sie einfach online. Viele Craftsman Ersatzteile halten wir ständig in unserem Lager für Sie bereit.
| BildNr | Artikel Nummer | Bezeichnung | |
| 4 | 725-04567F | KABELBAUM:LT5:NO RMC:3POS:B&S | |


Qualitätsmanagement
Informieren Sie uns, wenn Sie einen Fehler gefunden haben.

