Einkaufswagen
Mein Konto

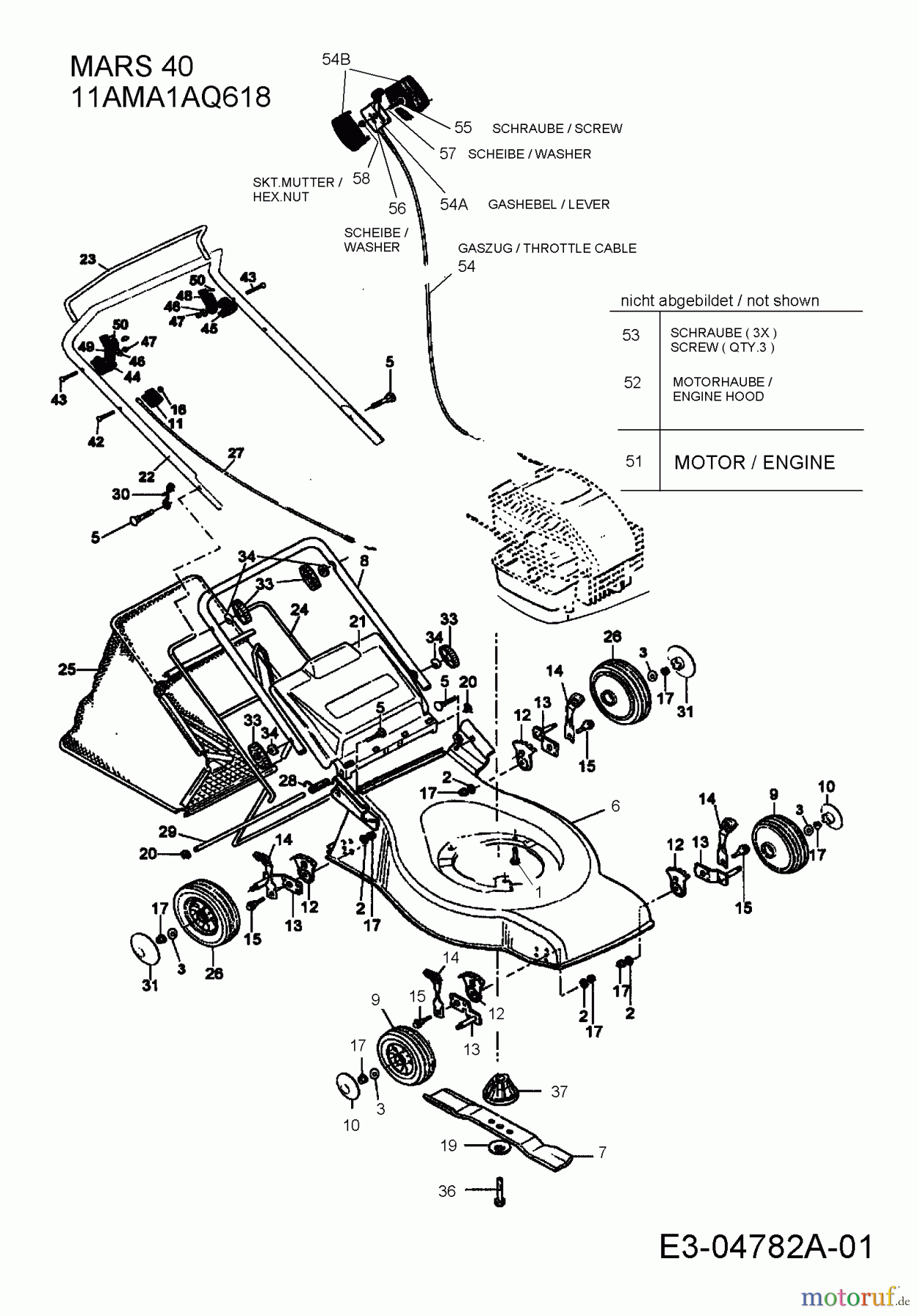
Rasor MARS 40 11AMA1AQ618 (2009) Ersatzteile

11AMA1AQ618 (2009) MARS 40

 Rasor Motormäher MARS 40 11AMA1AQ618  (2009) Grundgerät

Hier finden Sie die Ersatzteilzeichnung für Rasor Motormäher MARS 40 11AMA1AQ618 (2009) Grundgerät. Wählen Sie das benötigte Ersatzteil aus der Ersatzteilliste Ihres Rasor Gerätes aus und bestellen Sie einfach online. Viele Rasor Ersatzteile halten wir ständig in unserem Lager für Sie bereit.

BildNrArtikel NummerBezeichnung
1 Rasor 6KT-SCHR.:TTSEMS:3/8-16:1.000710-0654A6KT-SCHR.:TTSEMS:3/8-16:1.000
2 736-0701SCHEIBE A8.4 DIN 9021
3 CP032908UNTERLAGSSCHEIBE D8 UNI6952
5 Rasor FL-RUNDSCHR:M8X50 DIN 603-4.6710-1719FL-RUNDSCHR:M8X50 DIN 603-4.6
6 CP041002.00GEHÄUSE
7 CP041013MESSER 40cm
8 CP047034UNTERHOLM
9 CP042109RAD 150 VORN GLEITLAGER
10 CP042127RADKAPPE WEISS
11 CP042216KABELHALTER (CLIP)
12 CP042245VERSTELLPLATTE HVS
13 CP042248RADTRÄGER
14 Rasor VERSTELLHEBEL HVSCP042250VERSTELLHEBEL HVS
15 CP042268SCHRAUBE
16 CP042806SKT.-MUTTER M6
17 712-0692S-6KT-MUTTER: M8 DIN 985-8
18 726-04055KABELBINDER:3.6x140 mm schwarz
19 Rasor TELLERFEDERCP045911TELLERFEDER
20 Rasor ACHSENKLEMMRING DM7CP046607ACHSENKLEMMRING DM7
21 CP047018HECKKLAPPE
22 CP046042OBERHOLM
23 CP046073BREMSBÜGEL
24 CP047078RAHMEN
25 CP047083.05GRASFANGSACK:SCHWARZ
26 Rasor RAD 180CP047109RAD 180
27 CP052149BREMSZUG
28 Rasor SCHENKELFEDERCP050192SCHENKELFEDER
29 CP047203STANGE
30 CP047242SEILZUGHALTERUNG
31 Rasor RADKAPPE WEISSCP050127RADKAPPE WEISS
33 CP050228FLÜGELMUTTER FÜR HOLM M8
34 CP050230KLEMMSCHEIBE PLASTIC
36 CP050965MESSERSCHRAUBE 3/8 UNFX65 LG
37 Rasor MESSERNABE HONDA ENGINE 25MMCP053274B.25MESSERNABE HONDA ENGINE 25MM
42 CP060640SCHRAUBE M6 X 40 UNI 7687
43 CP060656SCHRAUBE
44 CP052220BREMSBÜGELHALTERUNG
45 CP052220BREMSBÜGELHALTERUNG
46 Rasor SCHEIBE A6.4  DIN      9021-ST736-0685SCHEIBE A6.4 DIN 9021-ST
47 712-0691S-6KT-MUTTER: M6 DIN 985-8
48 CP052217BREMSBÜGELAUFNAHME LINKS
49 CP052216BREMSBÜGELAUFNAHME RECHTS
50 CP023595SCHRAUBE
51 752H13A4G4SDB-MOTOR HONDA 25/61,9MM SHAFT
52 CP052105MOTORHAUBE:HONDA-MOTOR:SCHWARZ
53 CP024216SCHRAUBE FÜR MOTORHAUBE:HONDA
54 CP053142GASZUG
54A CP047250GASHEBEL
54B CP047220ABDECKUNG VOLLST.
55 CP060640SCHRAUBE M6 X 40 UNI 7687
56 Rasor SCHEIBE A6.4        DIN 125-St736-0668SCHEIBE A6.4 DIN 125-St
57 Rasor SCHEIBE A6.4  DIN      9021-ST736-0685SCHEIBE A6.4 DIN 9021-ST
58 CP042806SKT.-MUTTER M6
Rasen
Bankeinzug, MasterCard, Visa, American Express, PayPal, Nachnahme, Vorauskasse, Sofortüberweisung
Qualitätsmanagement
Informieren Sie uns, wenn Sie einen Fehler gefunden haben.