Cub Cadet CC 1527 13AK11CG603 (2004) Motorhaube C-Style Ersatzteile
Motorhaube C-Style 13AK11CG603 (2004)

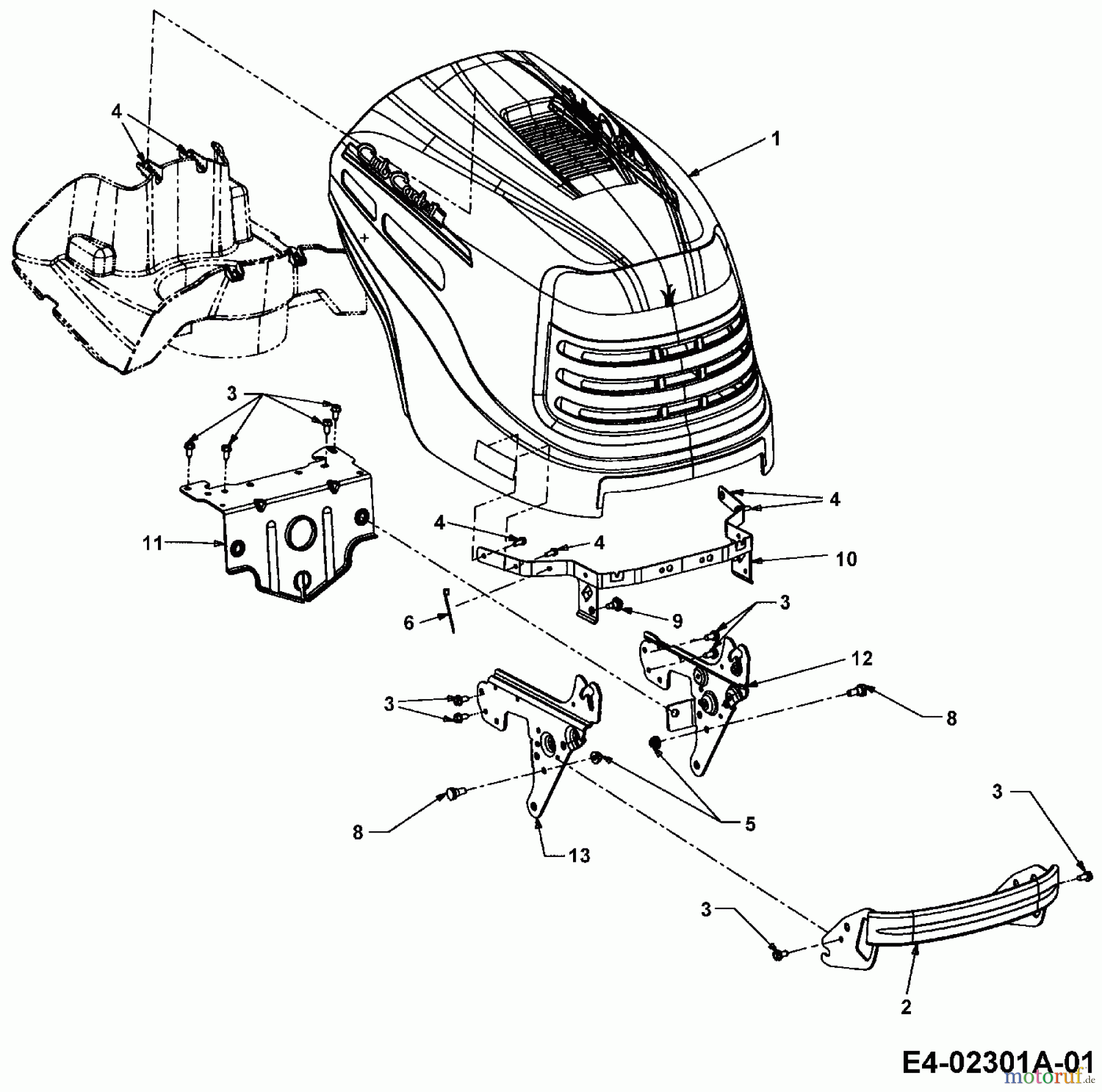
Hier finden Sie die Ersatzteilzeichnung für Cub Cadet Rasentraktoren CC 1527 13AK11CG603 (2004) Motorhaube C-Style. Wählen Sie das benötigte Ersatzteil aus der Ersatzteilliste Ihres Cub Cadet Gerätes aus und bestellen Sie einfach online. Viele Cub Cadet Ersatzteile halten wir ständig in unserem Lager für Sie bereit.


Qualitätsmanagement
Informieren Sie uns, wenn Sie einen Fehler gefunden haben.




