Golf 160 MS 4 07514.02 (1988) Kettenkasten Ersatzteile
Kettenkasten 07514.02 (1988)

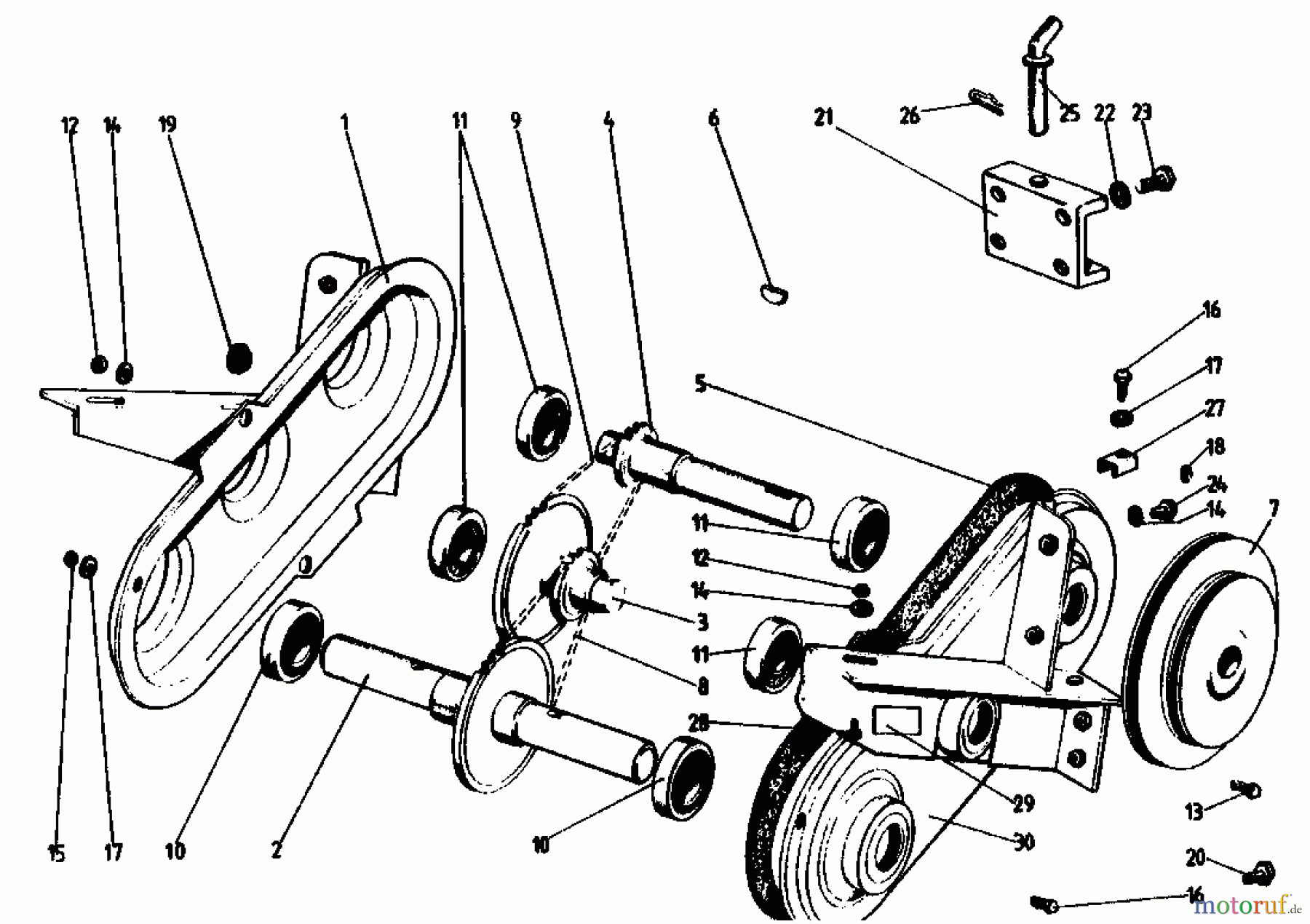
Hier finden Sie die Ersatzteilzeichnung für Golf Motorhacken 160 MS 4 07514.02 (1988) Kettenkasten. Wählen Sie das benötigte Ersatzteil aus der Ersatzteilliste Ihres Golf Gerätes aus und bestellen Sie einfach online. Viele Golf Ersatzteile halten wir ständig in unserem Lager für Sie bereit.



