Yard-Man YM 7110 DE 31AY5RLG643 (2006) Fahrantrieb, Räder Ersatzteile
Fahrantrieb, Räder 31AY5RLG643 (2006)

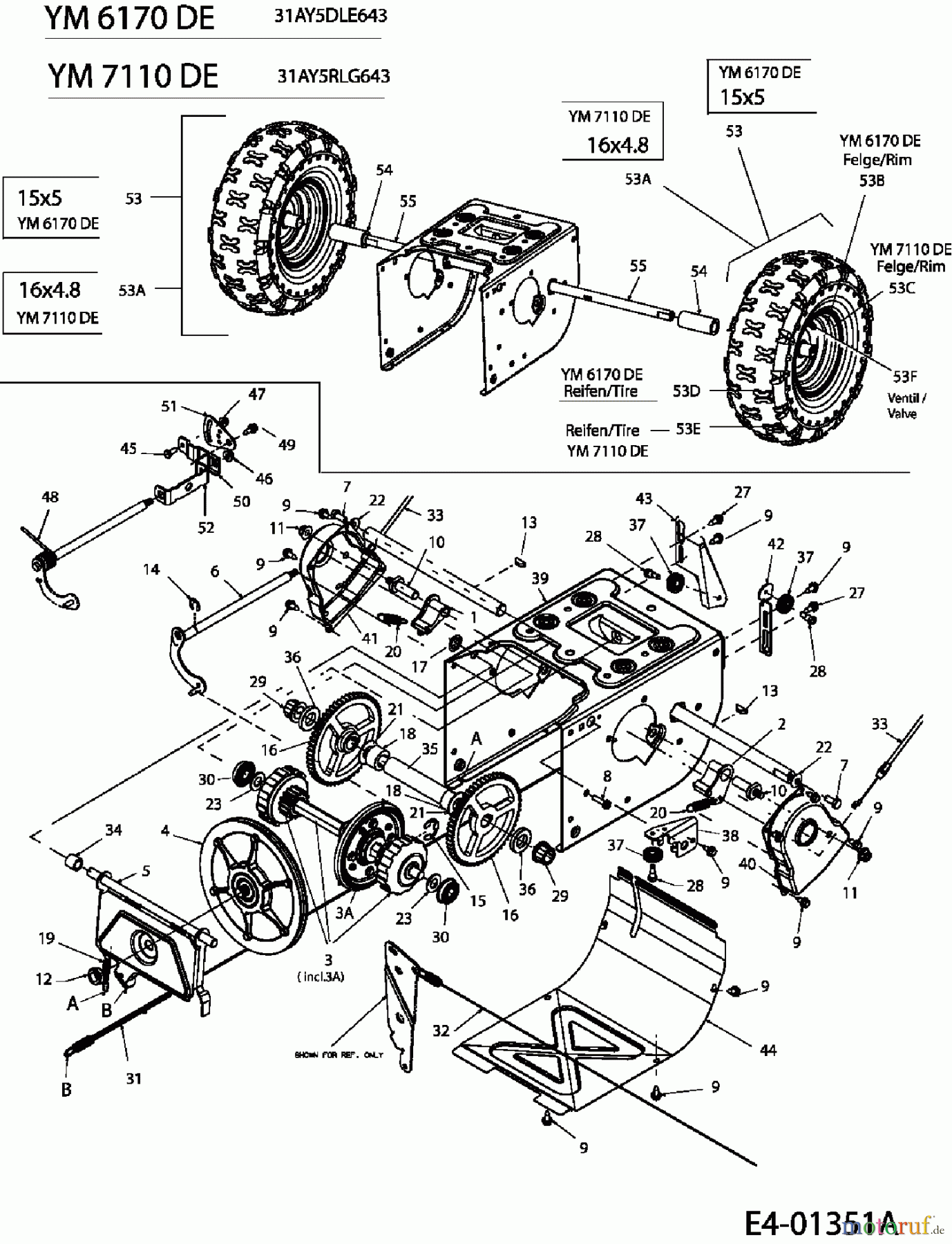
Hier finden Sie die Ersatzteilzeichnung für Yard-Man Schneefräsen YM 7110 DE 31AY5RLG643 (2006) Fahrantrieb, Räder. Wählen Sie das benötigte Ersatzteil aus der Ersatzteilliste Ihres Yard-Man Gerätes aus und bestellen Sie einfach online. Viele Yard-Man Ersatzteile halten wir ständig in unserem Lager für Sie bereit.

















