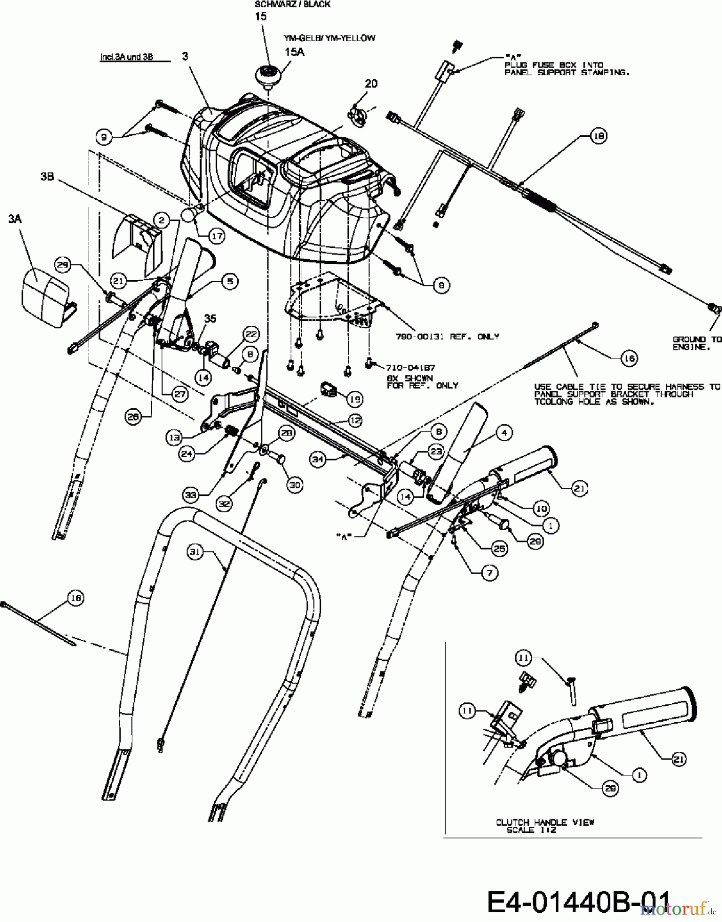
Yard-Man YM 6680 DE 31AY56LS643 (2009) Armaturenbrett Ersatzteile
Armaturenbrett 31AY56LS643 (2009)

Hier finden Sie die Ersatzteilzeichnung für Yard-Man Schneefräsen YM 6680 DE 31AY56LS643 (2009) Armaturenbrett. Wählen Sie das benötigte Ersatzteil aus der Ersatzteilliste Ihres Yard-Man Gerätes aus und bestellen Sie einfach online. Viele Yard-Man Ersatzteile halten wir ständig in unserem Lager für Sie bereit.









