Yard-Man E 7 E 3 F 31AE7E3F643 (2000) Fahrantrieb Ersatzteile
Fahrantrieb 31AE7E3F643 (2000)

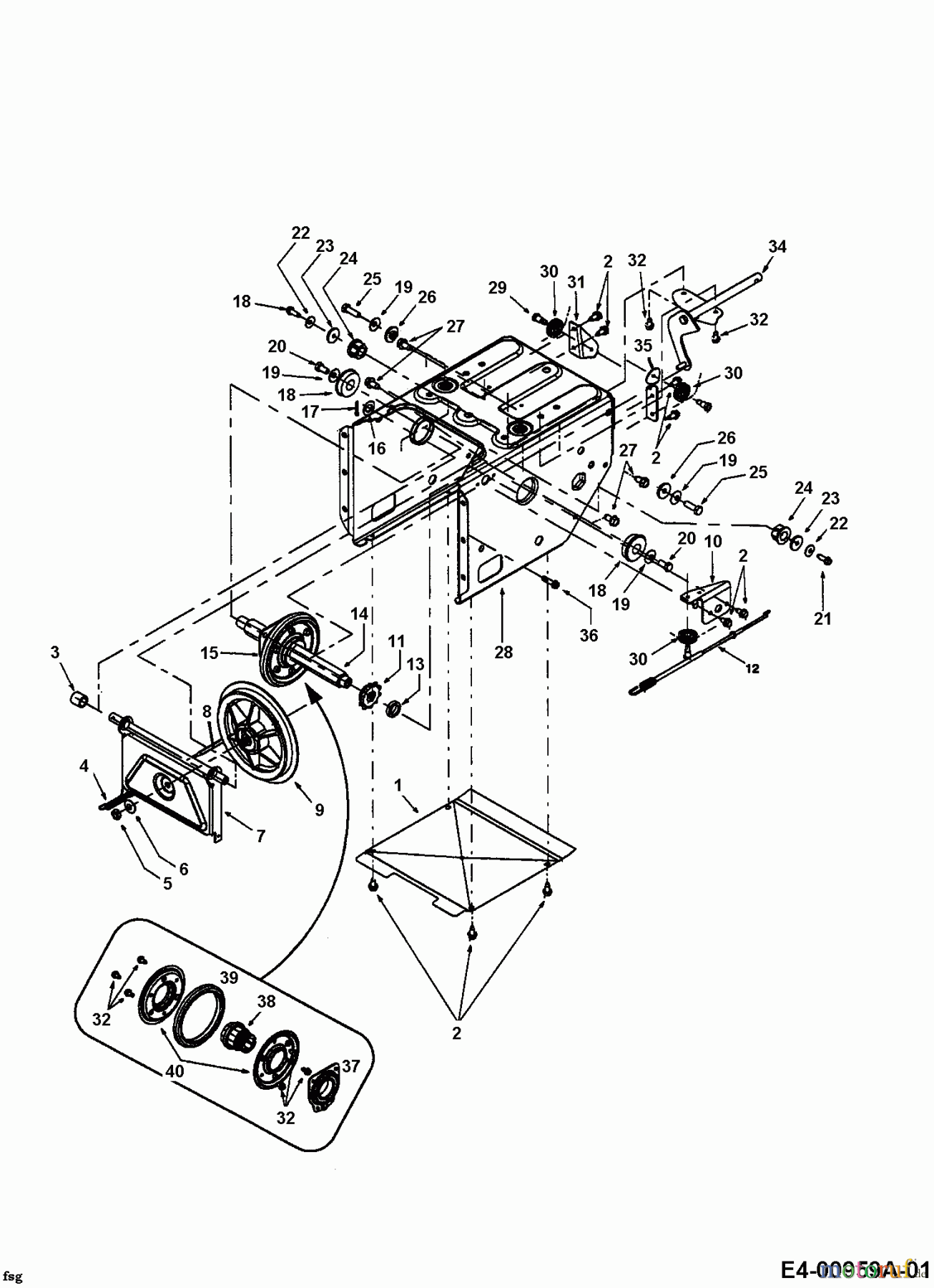
Hier finden Sie die Ersatzteilzeichnung für Yard-Man Schneefräsen E 7 E 3 F 31AE7E3F643 (2000) Fahrantrieb. Wählen Sie das benötigte Ersatzteil aus der Ersatzteilliste Ihres Yard-Man Gerätes aus und bestellen Sie einfach online. Viele Yard-Man Ersatzteile halten wir ständig in unserem Lager für Sie bereit.


Qualitätsmanagement
Informieren Sie uns, wenn Sie einen Fehler gefunden haben.

















