Yard-Man DX 70 13A-325-643 (2000) Sitzträger Ersatzteile
Sitzträger 13A-325-643 (2000)

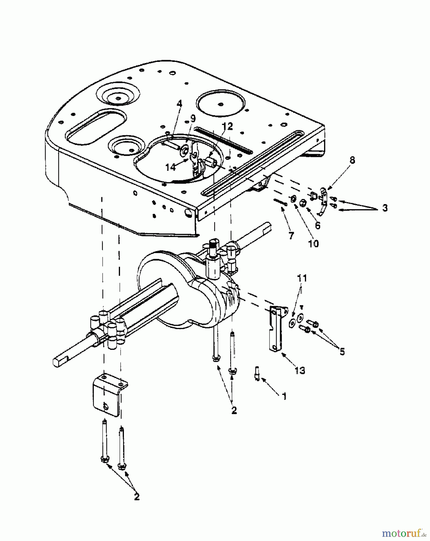
Hier finden Sie die Ersatzteilzeichnung für Yard-Man Rasentraktoren DX 70 13A-325-643 (2000) Sitzträger. Wählen Sie das benötigte Ersatzteil aus der Ersatzteilliste Ihres Yard-Man Gerätes aus und bestellen Sie einfach online. Viele Yard-Man Ersatzteile halten wir ständig in unserem Lager für Sie bereit.


Qualitätsmanagement
Informieren Sie uns, wenn Sie einen Fehler gefunden haben.





