MTD 875 41AD875C678 (2004) Motor Ersatzteile
Motor 41AD875C678 (2004)

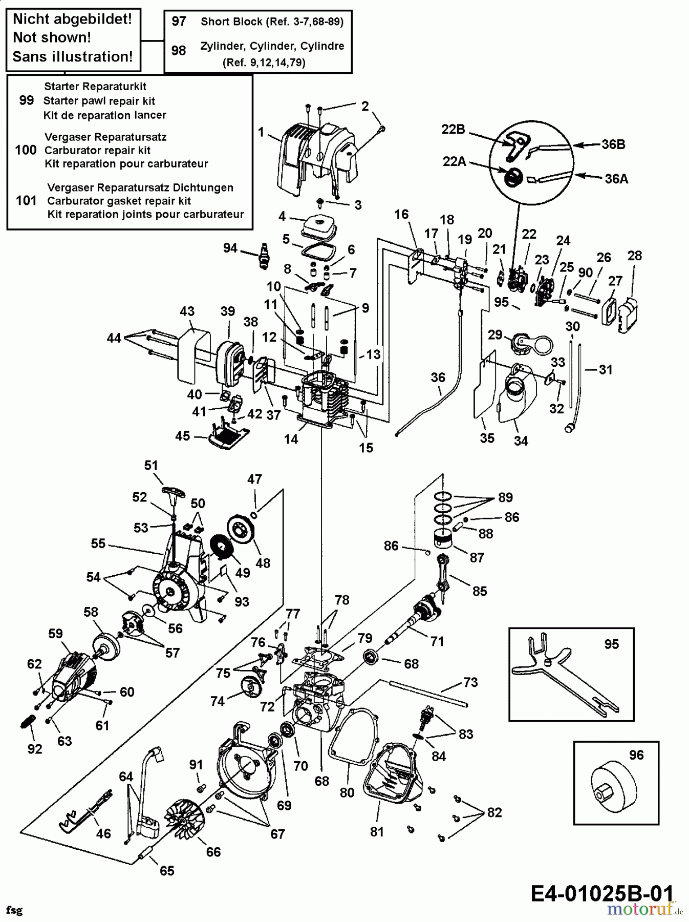
Hier finden Sie die Ersatzteilzeichnung für MTD Motorsensen 875 41AD875C678 (2004) Motor. Wählen Sie das benötigte Ersatzteil aus der Ersatzteilliste Ihres MTD Gerätes aus und bestellen Sie einfach online. Viele MTD Ersatzteile halten wir ständig in unserem Lager für Sie bereit.







