MTD 725 41AD725G678 (2003) Motor Ersatzteile
Motor 41AD725G678 (2003)

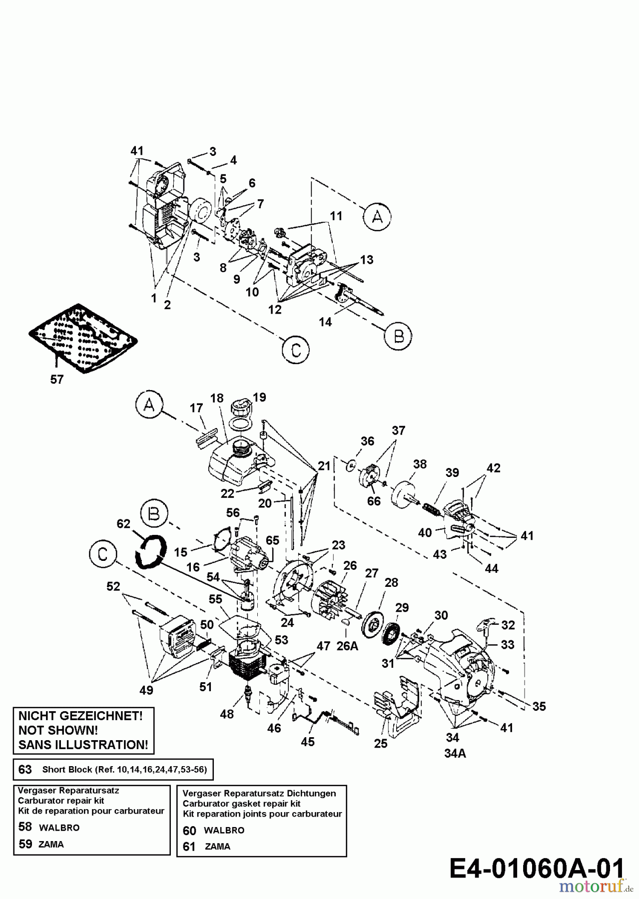
Hier finden Sie die Ersatzteilzeichnung für MTD Motorsensen 725 41AD725G678 (2003) Motor. Wählen Sie das benötigte Ersatzteil aus der Ersatzteilliste Ihres MTD Gerätes aus und bestellen Sie einfach online. Viele MTD Ersatzteile halten wir ständig in unserem Lager für Sie bereit.


Qualitätsmanagement
Informieren Sie uns, wenn Sie einen Fehler gefunden haben.






