MTD GE 45 C 11B-T34Z678 (2000) Holm, Messer, Motor Ersatzteile
Holm, Messer, Motor 11B-T34Z678 (2000)

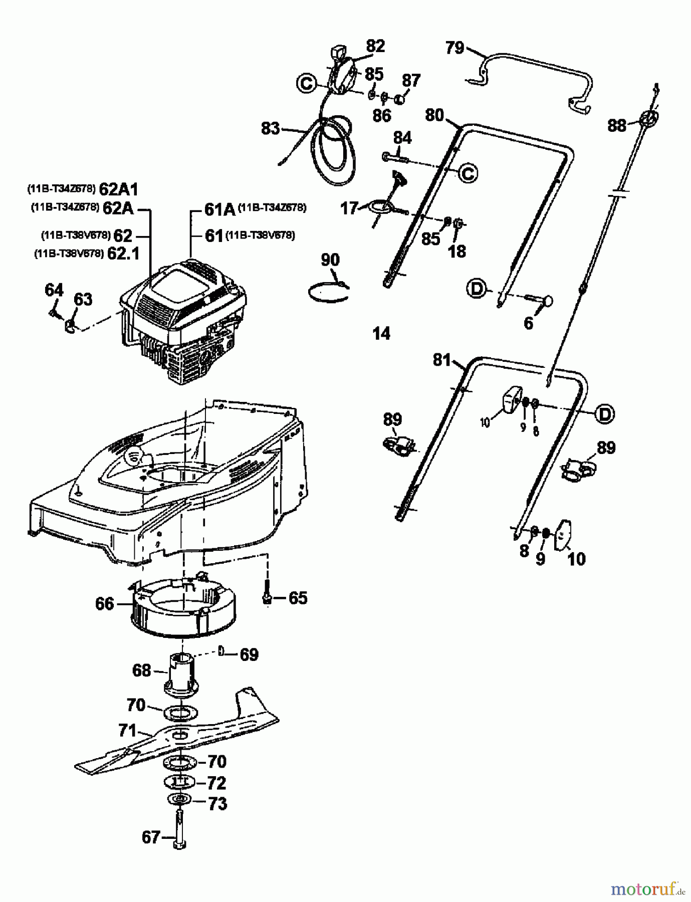
Hier finden Sie die Ersatzteilzeichnung für MTD Motormäher GE 45 C 11B-T34Z678 (2000) Holm, Messer, Motor. Wählen Sie das benötigte Ersatzteil aus der Ersatzteilliste Ihres MTD Gerätes aus und bestellen Sie einfach online. Viele MTD Ersatzteile halten wir ständig in unserem Lager für Sie bereit.












