MTD T/410 21AA412C678 (2002) Getriebe Ersatzteile
Getriebe 21AA412C678 (2002)

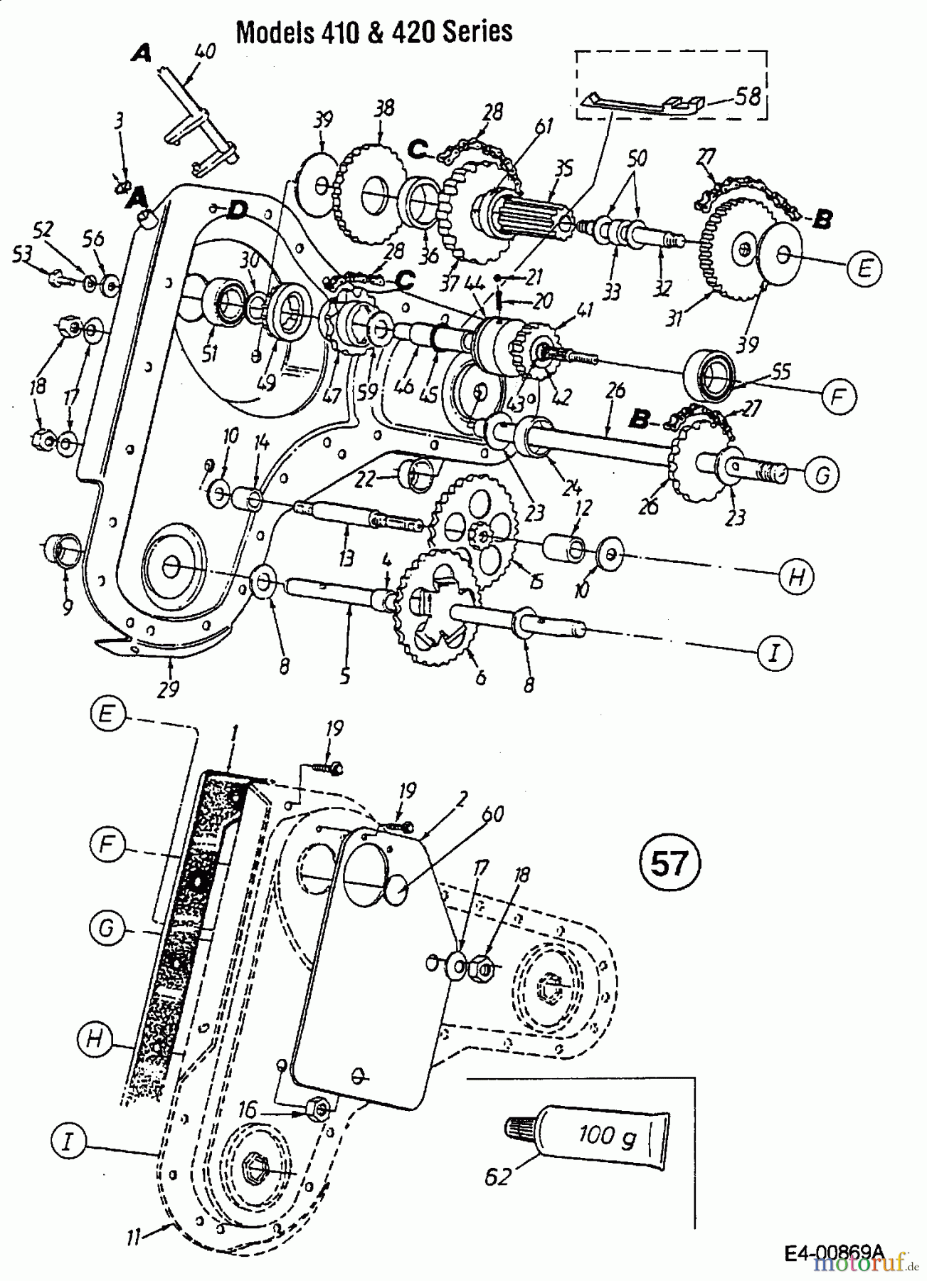
Hier finden Sie die Ersatzteilzeichnung für MTD Motorhacken T/410 21AA412C678 (2002) Getriebe. Wählen Sie das benötigte Ersatzteil aus der Ersatzteilliste Ihres MTD Gerätes aus und bestellen Sie einfach online. Viele MTD Ersatzteile halten wir ständig in unserem Lager für Sie bereit.











