MTD T/245 21B-25MJ678 (2009) Ersatzteile
21B-25MJ678 (2009) T/245

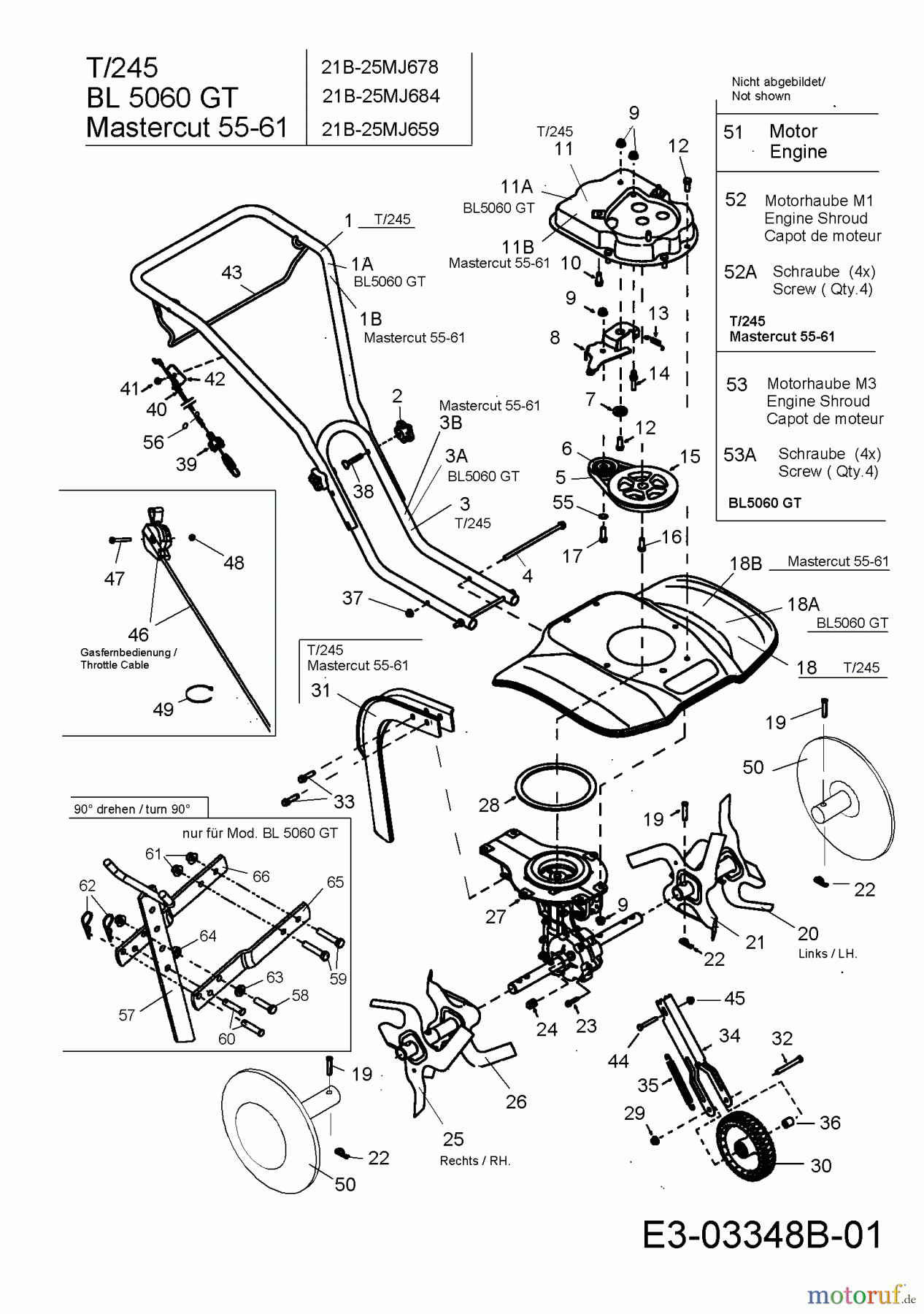
Hier finden Sie die Ersatzteilzeichnung für MTD Motorhacken T/245 21B-25MJ678 (2009) Grundgerät. Wählen Sie das benötigte Ersatzteil aus der Ersatzteilliste Ihres MTD Gerätes aus und bestellen Sie einfach online. Viele MTD Ersatzteile halten wir ständig in unserem Lager für Sie bereit.
Häufig benötigte MTD T/245 21B-25MJ678 (2009) Ersatzteile

Artikelnummer: 754-04123
Suche nach: 754-04123
Hersteller: MTD
MTD Ersatzteil 21B-25MJ678 (2009)
Suche nach: 754-04123
Hersteller: MTD
MTD Ersatzteil 21B-25MJ678 (2009)
23.92 €
für EU incl. MwSt., zzgl. Versand





















