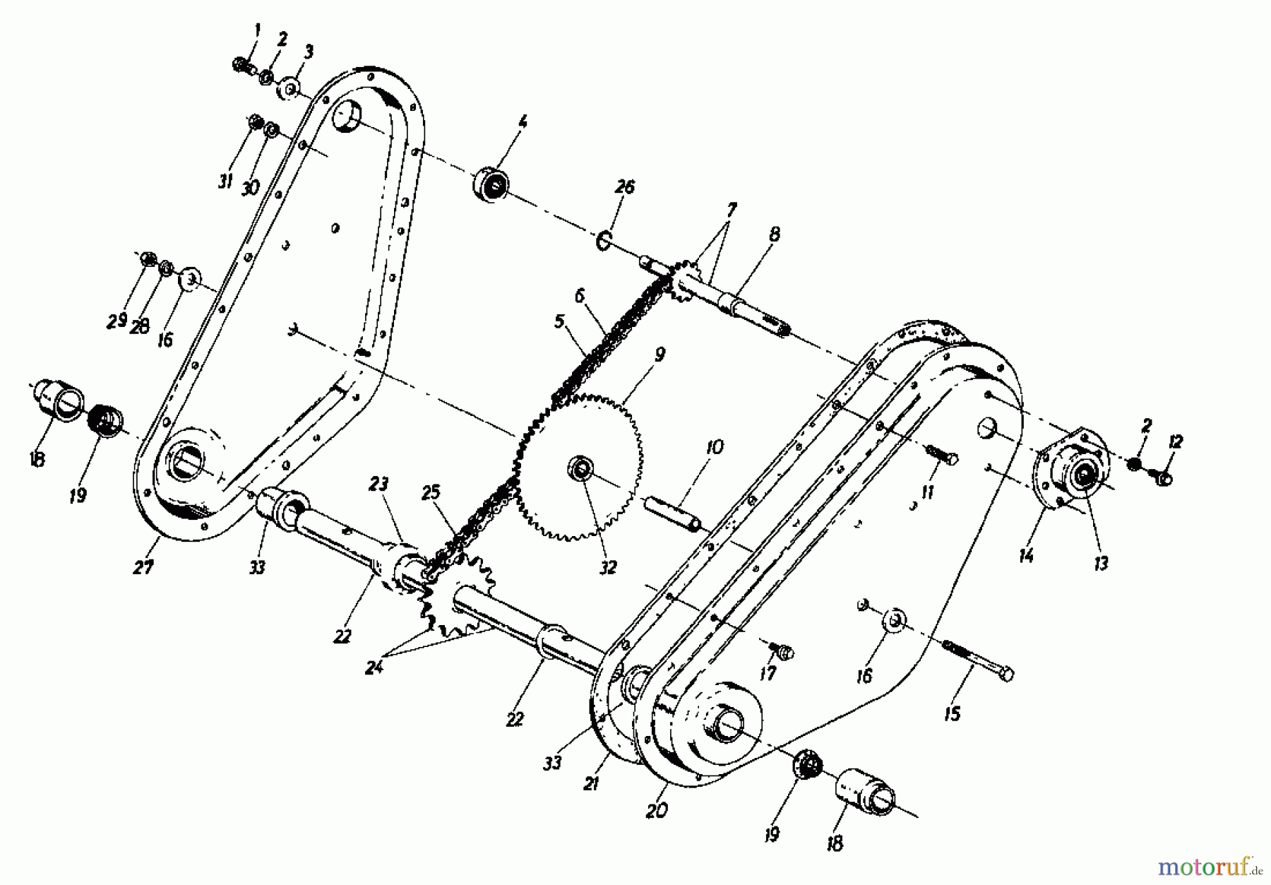
MTD GARTENTILLER 5 216-3200 (1986) Kettenkasten Ersatzteile
Kettenkasten 216-3200 (1986)

Hier finden Sie die Ersatzteilzeichnung für MTD Motorhacken GARTENTILLER 5 216-3200 (1986) Kettenkasten. Wählen Sie das benötigte Ersatzteil aus der Ersatzteilliste Ihres MTD Gerätes aus und bestellen Sie einfach online. Viele MTD Ersatzteile halten wir ständig in unserem Lager für Sie bereit.











