MTD 465 24A-465A678 (2003) Ersatzteile
24A-465A678 (2003) 465

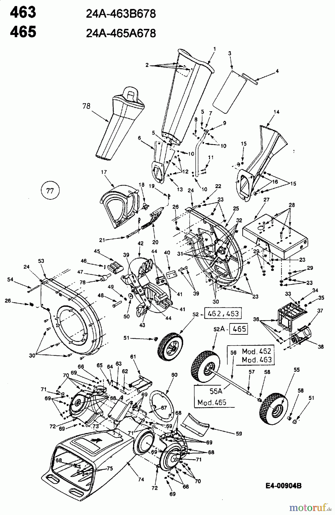
Hier finden Sie die Ersatzteilzeichnung für MTD Häcksler 465 24A-465A678 (2003) Grundgerät. Wählen Sie das benötigte Ersatzteil aus der Ersatzteilliste Ihres MTD Gerätes aus und bestellen Sie einfach online. Viele MTD Ersatzteile halten wir ständig in unserem Lager für Sie bereit.




























