Lawnflite 503 13B-332-611 (2005) Rahmen, Tank Ersatzteile
Rahmen, Tank 13B-332-611 (2005)

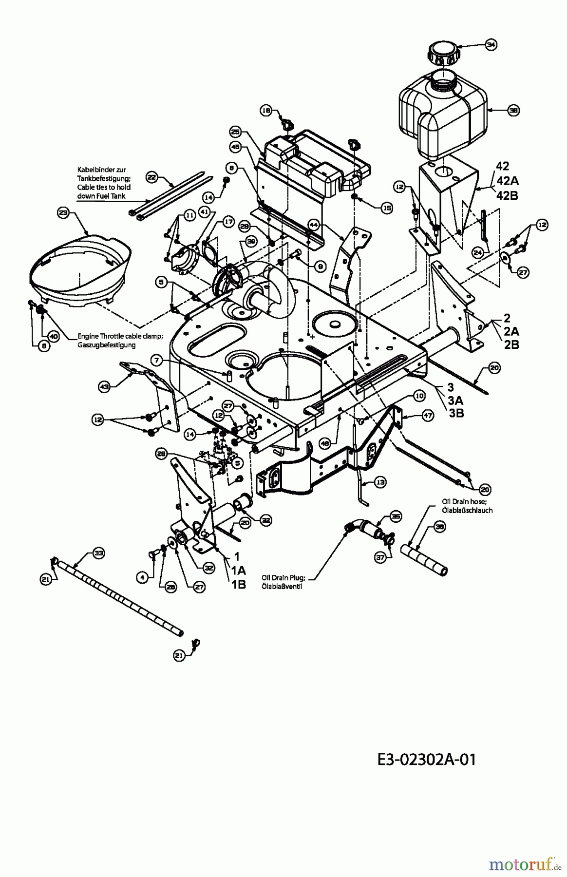
Hier finden Sie die Ersatzteilzeichnung für Lawnflite Rasentraktoren 503 13B-332-611 (2005) Rahmen, Tank. Wählen Sie das benötigte Ersatzteil aus der Ersatzteilliste Ihres Lawnflite Gerätes aus und bestellen Sie einfach online. Viele Lawnflite Ersatzteile halten wir ständig in unserem Lager für Sie bereit.















