AS-Motor (neu) Aufsitzmäher AS 911, AS 915 Enduro ab FNr. 018208020001 Pedale Ersatzteile
Pedale ab FNr. 018208020001

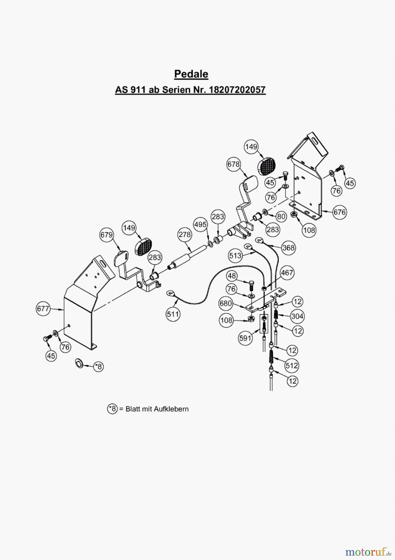
Hier finden Sie die Ersatzteilzeichnung für AS-Motor (neu) Hochgras Aufsitzmäher AS 911, AS 915 Enduro ab FNr. 018208020001 Pedale. Wählen Sie das benötigte Ersatzteil aus der Ersatzteilliste Ihres AS-Motor (neu) Gerätes aus und bestellen Sie einfach online. Viele AS-Motor (neu) Ersatzteile halten wir ständig in unserem Lager für Sie bereit.







