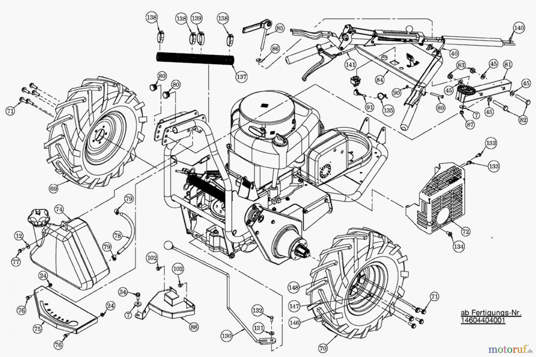
AS-Motor (neu) Allmäher AS 73 AS 73 4T B&S und AS 73/2 vs ab FNr. 014604404001 Fahrwerk Abb.2 Ersatzteile
Fahrwerk Abb.2 ab FNr. 014604404001

Hier finden Sie die Ersatzteilzeichnung für AS-Motor (neu) Hochgras Allmäher AS 73 AS 73 4T B&S und AS 73/2 vs ab FNr. 014604404001 Fahrwerk Abb.2. Wählen Sie das benötigte Ersatzteil aus der Ersatzteilliste Ihres AS-Motor (neu) Gerätes aus und bestellen Sie einfach online. Viele AS-Motor (neu) Ersatzteile halten wir ständig in unserem Lager für Sie bereit.


Qualitätsmanagement
Informieren Sie uns, wenn Sie einen Fehler gefunden haben.











