BLACK+DECKER AUTOPFLEGE & MINIHANDWERK 100W POWER INVERTER PI100LA Ersatzteile
PI100LA 100W POWER INVERTER

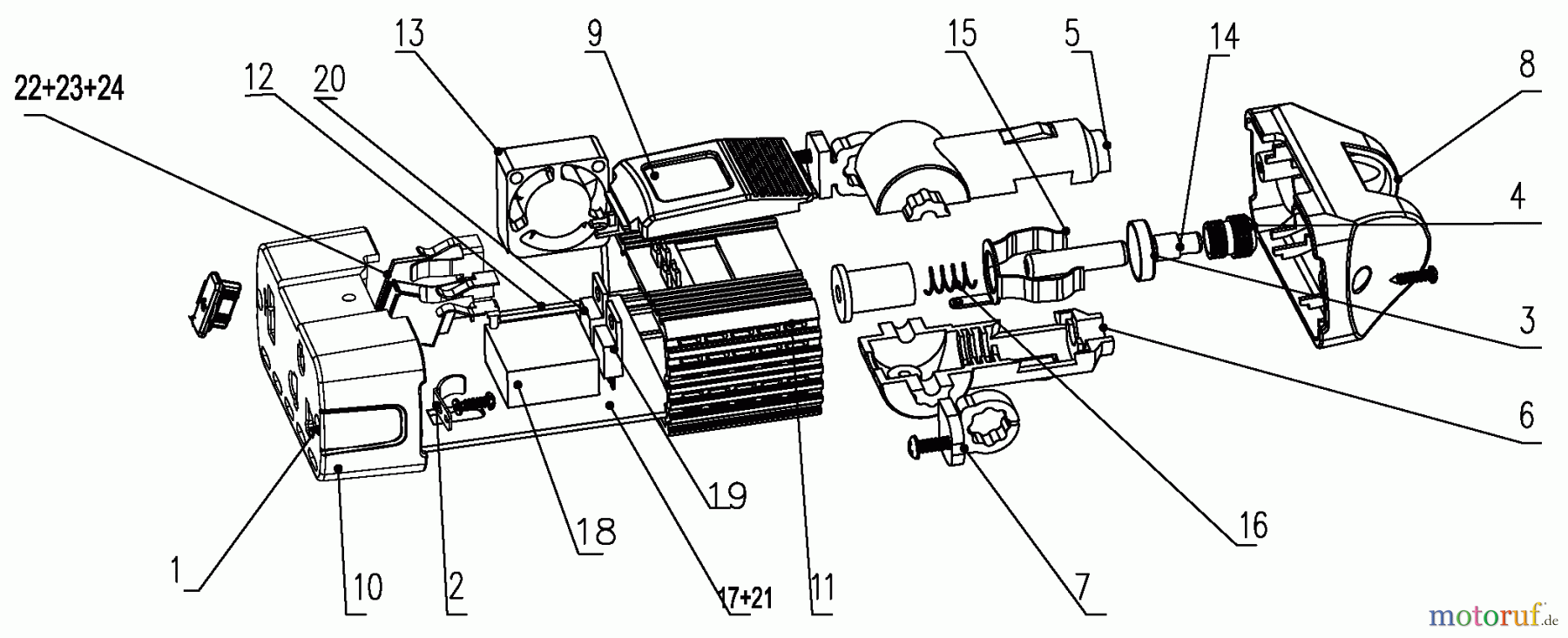
Hier finden Sie die Ersatzteilzeichnung für BLACK+DECKER INNENAUSSTATTUNG AUTOPFLEGE & MINIHANDWERK 100W POWER INVERTER PI100LA Seite 1. Wählen Sie das benötigte Ersatzteil aus der Ersatzteilliste Ihres BLACK+DECKER Gerätes aus und bestellen Sie einfach online. Viele BLACK+DECKER Ersatzteile halten wir ständig in unserem Lager für Sie bereit.



