Einstellungen Computer

DEWALT BANDSÄGEN BANDSÄGE DCS371 Ersatzteile

DCS371 BANDSÄGE

 DEWALT HOLZARBEITEN BANDSÄGEN BANDSÄGE DCS371 Seite 1

Hier finden Sie die Ersatzteilzeichnung für DEWALT HOLZARBEITEN BANDSÄGEN BANDSÄGE DCS371 Seite 1. Wählen Sie das benötigte Ersatzteil aus der Ersatzteilliste Ihres DEWALT Gerätes aus und bestellen Sie einfach online. Viele DEWALT Ersatzteile halten wir ständig in unserem Lager für Sie bereit.

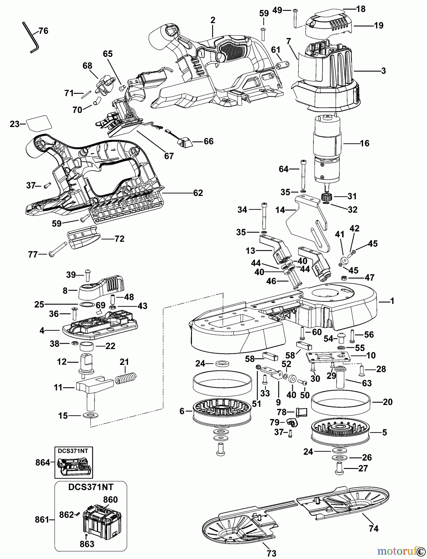
BildNrArtikel NummerBezeichnung
1 SB-N388446BODENPLATTE
2 SB-N272142GEHAEUSEPAAR
3 SB-N071023GEHAEUSE MOTOR
4 SB-N271599ABDECKPLATTE
5 SB-N270220TREIBER
6 SB-N270221RAD
7 SB-N333439WARNSCHILD
8 SB-N271605HEBEL
9 SB-N270289HALTER
10 SB-N272128PLATTE ZSB
11 SB-N271621BLOCK ZSB
12 SB-N271606KAMM
13 SB-N270285FUEHRUNGSBLOCK
14 SB-N272132ANSCHLAG
15 SB-N271625DISTANZSCHEIBE
16 SB-N343759MOTOR + GETR.GEH.
18 SB-N333499MARKENAUFKLEBER
19 SB-N071024ENDKAPPE
20 SB-N270205OBERES RAD
21 SB-N271622FEDER
22 SB-N271601BUCHSE
23 SB-N399826AUFKLEBER
24 SB-N271623NYLONSCHEIBE
25 SB-N271602FIBERSCHEIBE
26 SB-N271624UNTERLEGSCHEIBE
27 SB-NA001022SCHRAUBE
28 SB-N272122SCHRAUBE
29 SB-N271627SCHRAUBE
30 SB-N271639SCHRAUBE
31 SB-N266472ZWISCHENWELLE
32 SB-N266473HALTER
33 SB-N271620SCHRAUBE
34 SB-N271659SCHRAUBE
35 SB-N271660SCHEIBE
36 SB-N272119SCHRAUBE
37 SB-N270199SCHRAUBE
38 SB-N272120MUTTER M5
39 SB-N271607SCHRAUBE
40 SB-N270279KUGELLAGER
41 SB-N270280KUGELLAGER
42 SB-N270281DUEBEL
43 SB-N271603SICHERUNGSMUTTER M6
44 SB-N270282ROLLER
45 SB-N270283SICHERUNGSSCHEIBE
46 SB-N270284SCHRAUBE
47 SB-N123103MUTTER,STOP
48 SB-N271604SCHRAUBE
49 SB-N272126SCHRAUBE
50 SB-N270286SCHRAUBE
51 SB-N270287MUTTER
52 SB-N270288UNTERLEGSCHEIBE
54 SB-N271610SCHRAUBE
55 SB-N271611UNTERLEGSCHEIBE
56 SB-N272123SCHRAUBE
58 SB-N272134FUEHRUNGSBLOCK
59 SB-N272125SCHRAUBE
60 SB-N272124SCHRAUBE
61 SB-N053823PLATTE
62 SB-N272142GEHAEUSEPAAR
63 SB-N271608SCHAFT
64 SB-N271661SCHRAUBE
65 SB-330019-40SCHRAUBE
66 SB-N272137LED ANZEIGE
67 SB-N314180ELECTRONIC & SWITCH
68 SB-NA575073SICHERH.SCHALTER
69 SB-N333519SCHILD
70 SB-389120-00FEDER
71 SB-388531-00STIFT
72 SB-651744-00HAKEN
73 SB-N381410SCHUTZ ZSB
74 SB-N381405SCHUTZ ZSB
76 SB-N272127HEX KEY 3 MM
77 SB-N270202SCHRAUBE
78 SB-N401363WISCHER
79 SB-N401362ABDECKUNG
860 SB-H1400196008HANDLE
861 SB-N445186KOFFER
862 SB-H1500082520LASCHE
863 SB-P910190LASCHE
864 SB-MP16987EINSATZ
Rasen
Bankeinzug, MasterCard, Visa, American Express, PayPal, Nachnahme, Vorauskasse, Sofortüberweisung
Datenschutzerklärung Impressum
Qualitätsmanagement
Informieren Sie uns, wenn Sie einen Fehler gefunden haben.