CRAFTSMAN RASENMAHER 917.388190 Ersatzteile
917.388190 RASENMAHER

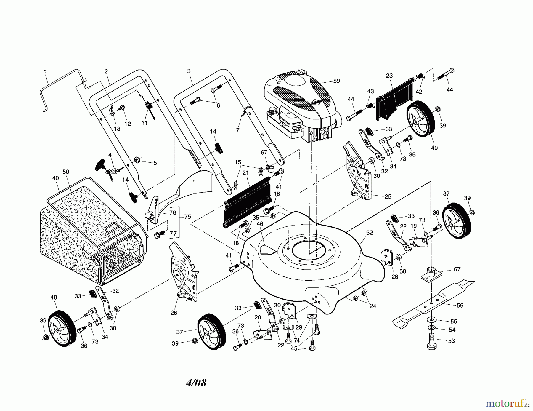
Hier finden Sie die Ersatzteilzeichnung für CRAFTSMAN Divers RASENMAHER 917.388190 Seite 1. Wählen Sie das benötigte Ersatzteil aus der Ersatzteilliste Ihres CRAFTSMAN Gerätes aus und bestellen Sie einfach online. Viele CRAFTSMAN Ersatzteile halten wir ständig in unserem Lager für Sie bereit.



