CRAFTSMAN 10-INCH BAND SAW 113.247110 Ersatzteile
113.247110 10-INCH BAND SAW

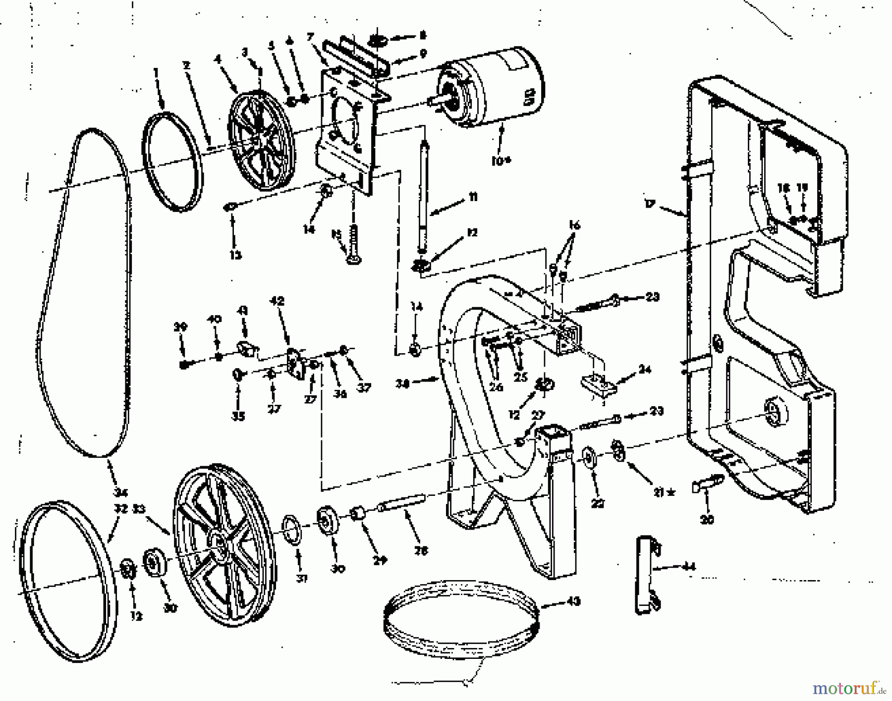
Hier finden Sie die Ersatzteilzeichnung für CRAFTSMAN Divers 10-INCH BAND SAW 113.247110 Seite 3. Wählen Sie das benötigte Ersatzteil aus der Ersatzteilliste Ihres CRAFTSMAN Gerätes aus und bestellen Sie einfach online. Viele CRAFTSMAN Ersatzteile halten wir ständig in unserem Lager für Sie bereit.



