Einkaufswagen
Mein Konto

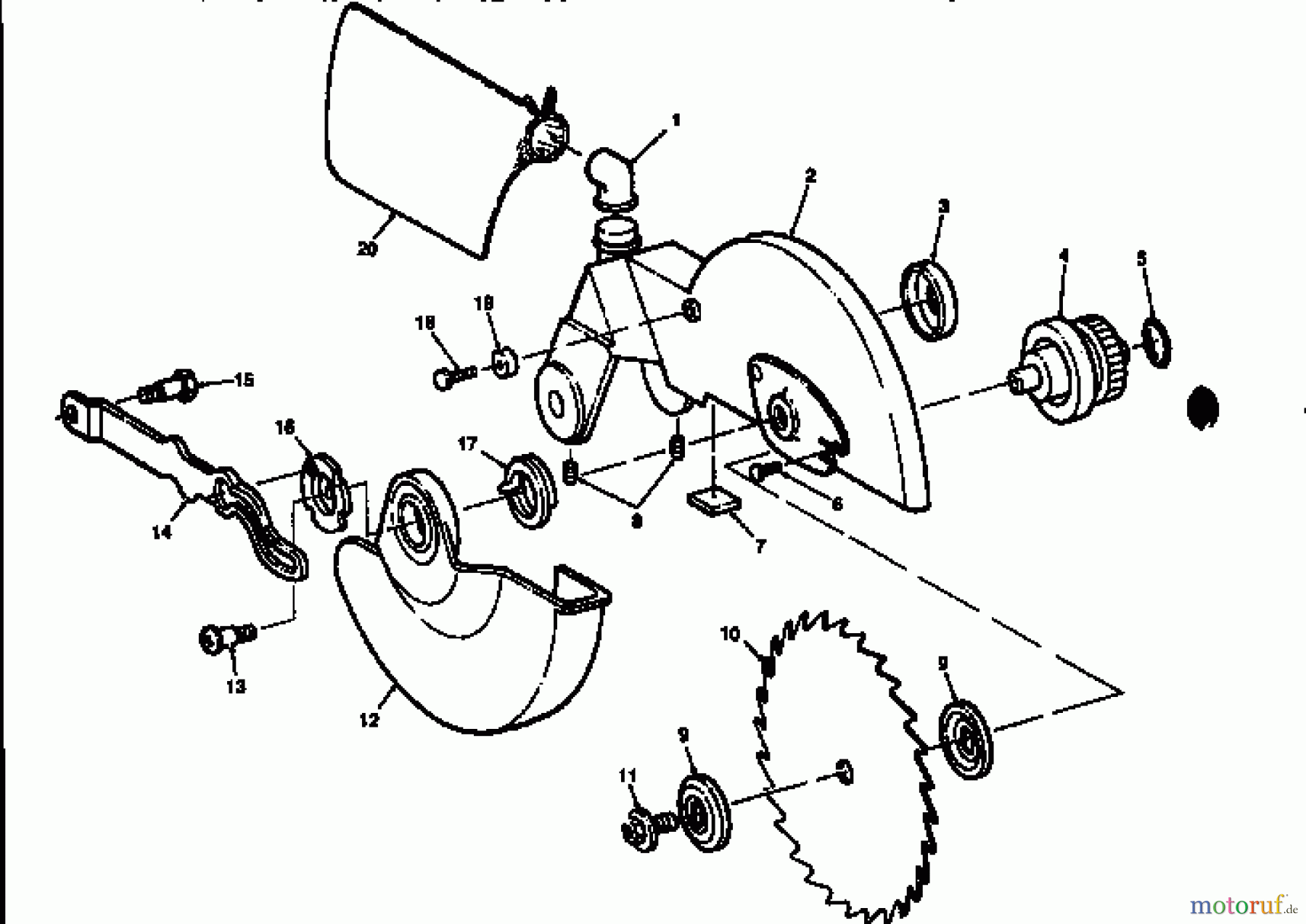
CRAFTSMAN 10 INCH MITER SAW 113.235221 Ersatzteile

113.235221 10 INCH MITER SAW

 CRAFTSMAN Divers 10 INCH MITER SAW 113.235221 Seite 4

Hier finden Sie die Ersatzteilzeichnung für CRAFTSMAN Divers 10 INCH MITER SAW 113.235221 Seite 4. Wählen Sie das benötigte Ersatzteil aus der Ersatzteilliste Ihres CRAFTSMAN Gerätes aus und bestellen Sie einfach online. Viele CRAFTSMAN Ersatzteile halten wir ständig in unserem Lager für Sie bereit.

Rasen
Bankeinzug, MasterCard, Visa, American Express, PayPal, Nachnahme, Vorauskasse, Sofortüberweisung
Qualitätsmanagement
Informieren Sie uns, wenn Sie einen Fehler gefunden haben.