AL-KO T15-93.1 HDS-A BLACK EDITION Ersatzteile
T15-93.1 HDS-A BLACK EDITION Rasentraktor
Artikel Nummer: 119989 119989

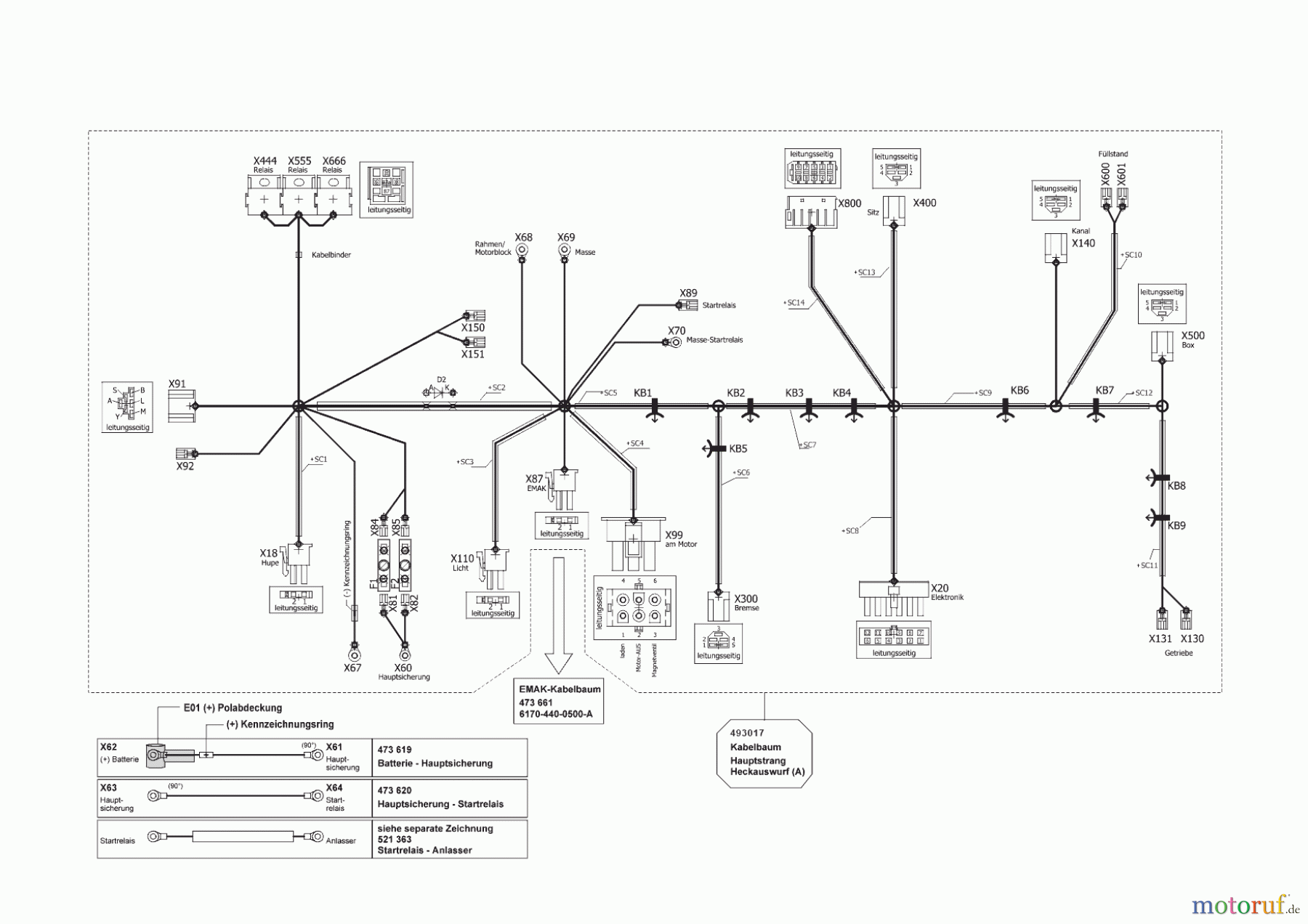
Hier finden Sie die Ersatzteilzeichnung für AL-KO Gartentechnik Rasentraktor T15-93.1 HDS-A BLACK EDITION 01/2021 Seite 9. Wählen Sie das benötigte Ersatzteil aus der Ersatzteilliste Ihres AL-KO Gerätes aus und bestellen Sie einfach online. Viele AL-KO Ersatzteile halten wir ständig in unserem Lager für Sie bereit.
| BildNr | Artikel Nummer | Bezeichnung | |
| AL493017 | KABELBAUM HAUPTSTRANG HA TRAKTOR | ||


Qualitätsmanagement
Informieren Sie uns, wenn Sie einen Fehler gefunden haben.

