Gutbrod Sprint 1002 E 02840.08 (1994) Hinterachse, Lenkung, Räder Ersatzteile
Hinterachse, Lenkung, Räder 02840.08 (1994)

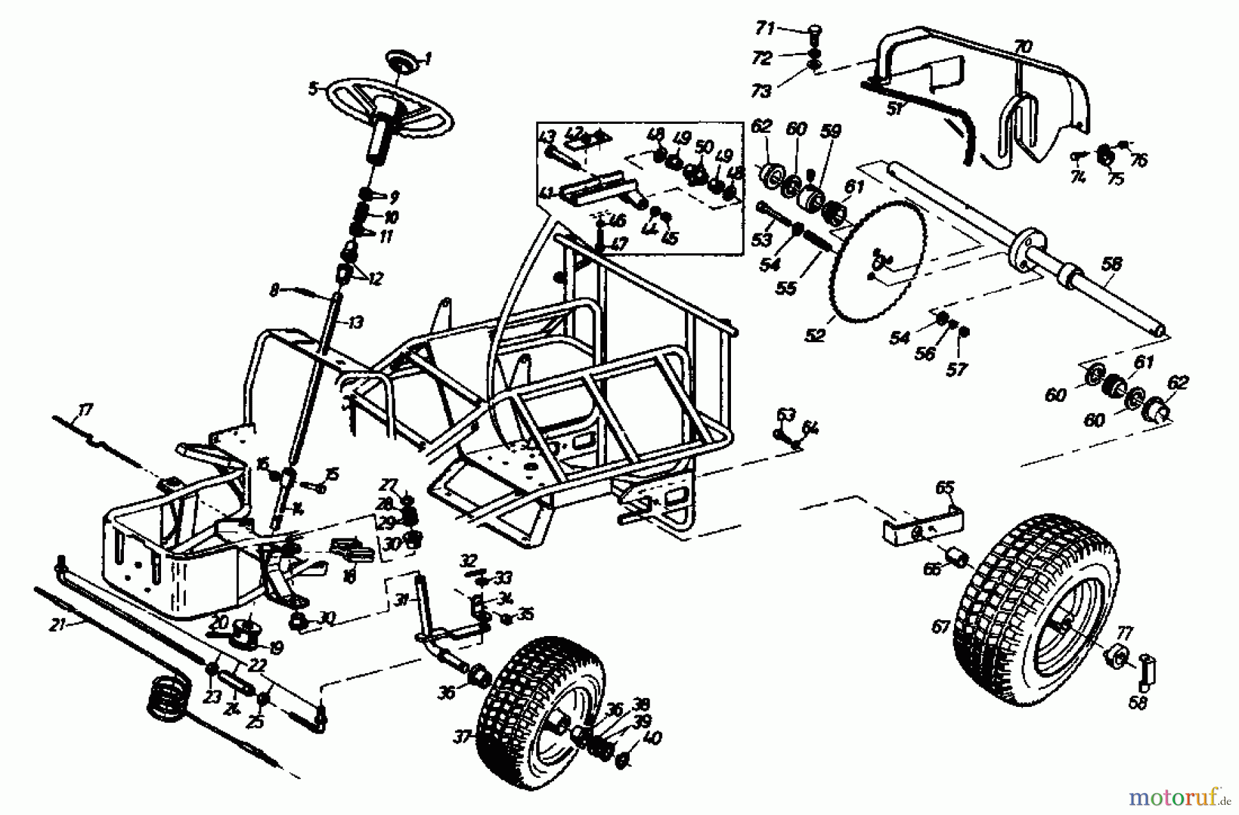
Hier finden Sie die Ersatzteilzeichnung für Gutbrod Rasentraktoren Sprint 1002 E 02840.08 (1994) Hinterachse, Lenkung, Räder. Wählen Sie das benötigte Ersatzteil aus der Ersatzteilliste Ihres Gutbrod Gerätes aus und bestellen Sie einfach online. Viele Gutbrod Ersatzteile halten wir ständig in unserem Lager für Sie bereit.







