Gutbrod RSB 110-16 H 00097.02 (1995) Vorderachse Ersatzteile
Vorderachse 00097.02 (1995)

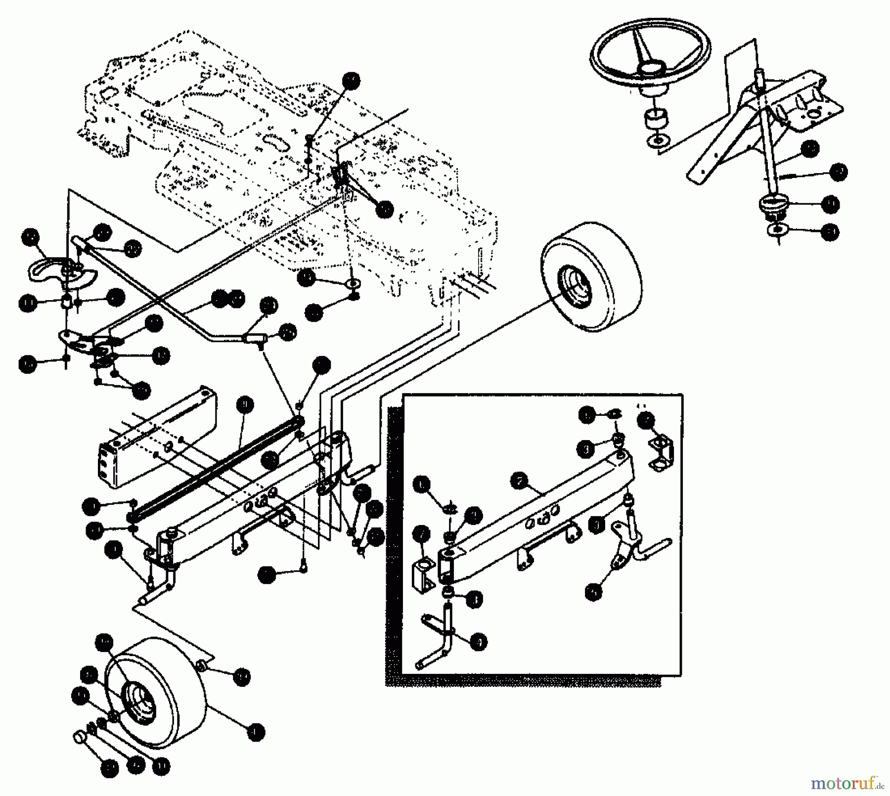
Hier finden Sie die Ersatzteilzeichnung für Gutbrod Rasentraktoren RSB 110-16 H 00097.02 (1995) Vorderachse. Wählen Sie das benötigte Ersatzteil aus der Ersatzteilliste Ihres Gutbrod Gerätes aus und bestellen Sie einfach online. Viele Gutbrod Ersatzteile halten wir ständig in unserem Lager für Sie bereit.


Qualitätsmanagement
Informieren Sie uns, wenn Sie einen Fehler gefunden haben.

