Troy-Bilt TB 2042 13APA1KS309 (2015) Motorzubehör Ersatzteile
Motorzubehör 13APA1KS309 (2015)

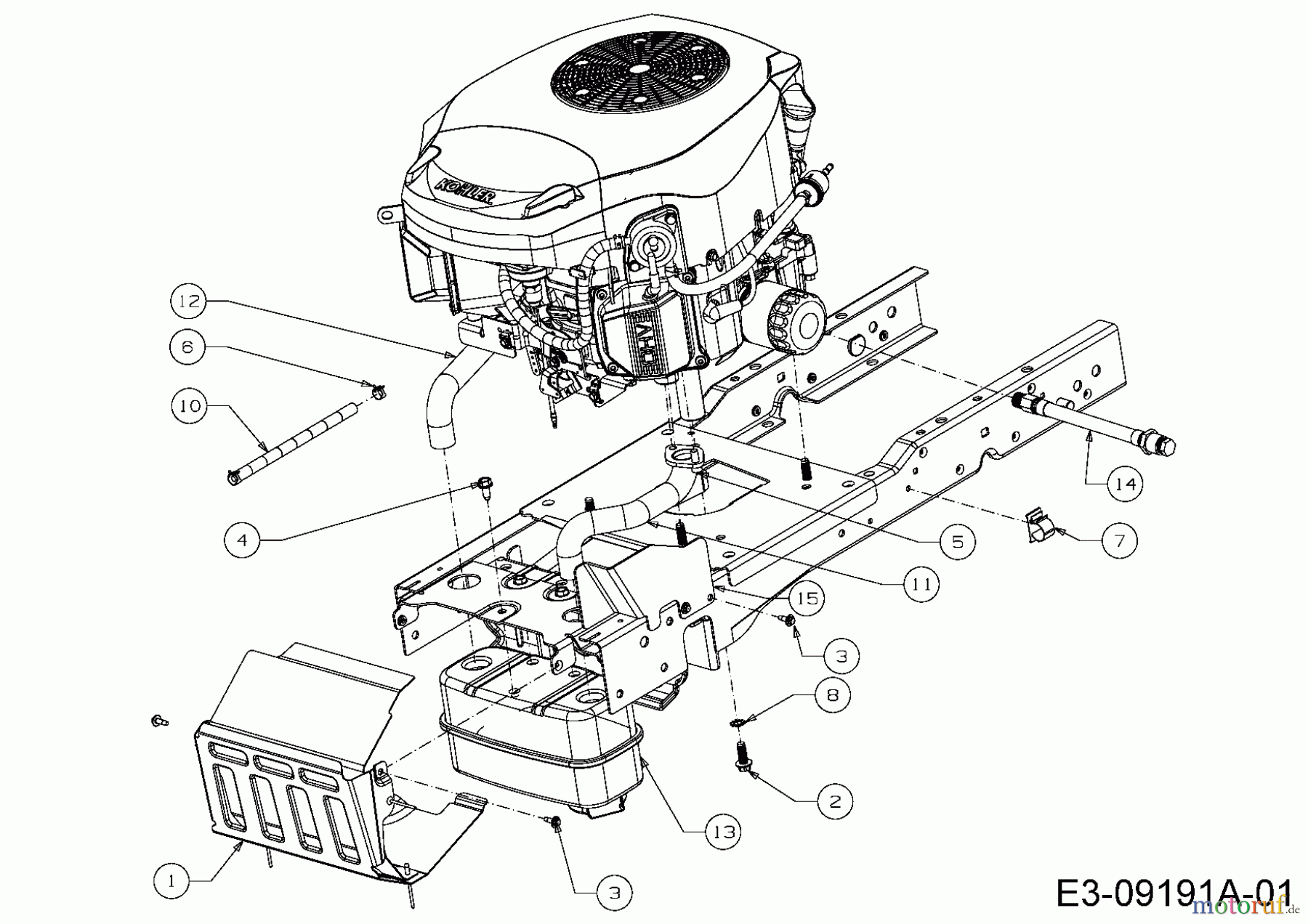
Hier finden Sie die Ersatzteilzeichnung für Troy-Bilt Rasentraktoren TB 2042 13APA1KS309 (2015) Motorzubehör. Wählen Sie das benötigte Ersatzteil aus der Ersatzteilliste Ihres Troy-Bilt Gerätes aus und bestellen Sie einfach online. Viele Troy-Bilt Ersatzteile halten wir ständig in unserem Lager für Sie bereit.


Qualitätsmanagement
Informieren Sie uns, wenn Sie einen Fehler gefunden haben.





