Cub Cadet 524 SWE 31AW53LR603 (2016) Fahrantrieb, Fräsantrieb Ersatzteile
Fahrantrieb, Fräsantrieb 31AW53LR603 (2016)

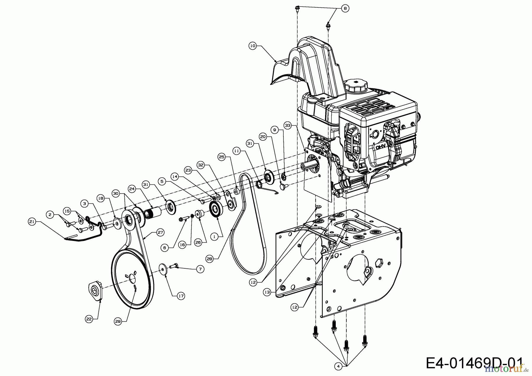
Hier finden Sie die Ersatzteilzeichnung für Cub Cadet Schneefräsen 524 SWE 31AW53LR603 (2016) Fahrantrieb, Fräsantrieb. Wählen Sie das benötigte Ersatzteil aus der Ersatzteilliste Ihres Cub Cadet Gerätes aus und bestellen Sie einfach online. Viele Cub Cadet Ersatzteile halten wir ständig in unserem Lager für Sie bereit.











