Cub Cadet LX 42" KH 13APA1CS330 (2015) Sitzwanne bis 27.01.2015 Ersatzteile
Sitzwanne bis 27.01.2015 13APA1CS330 (2015)

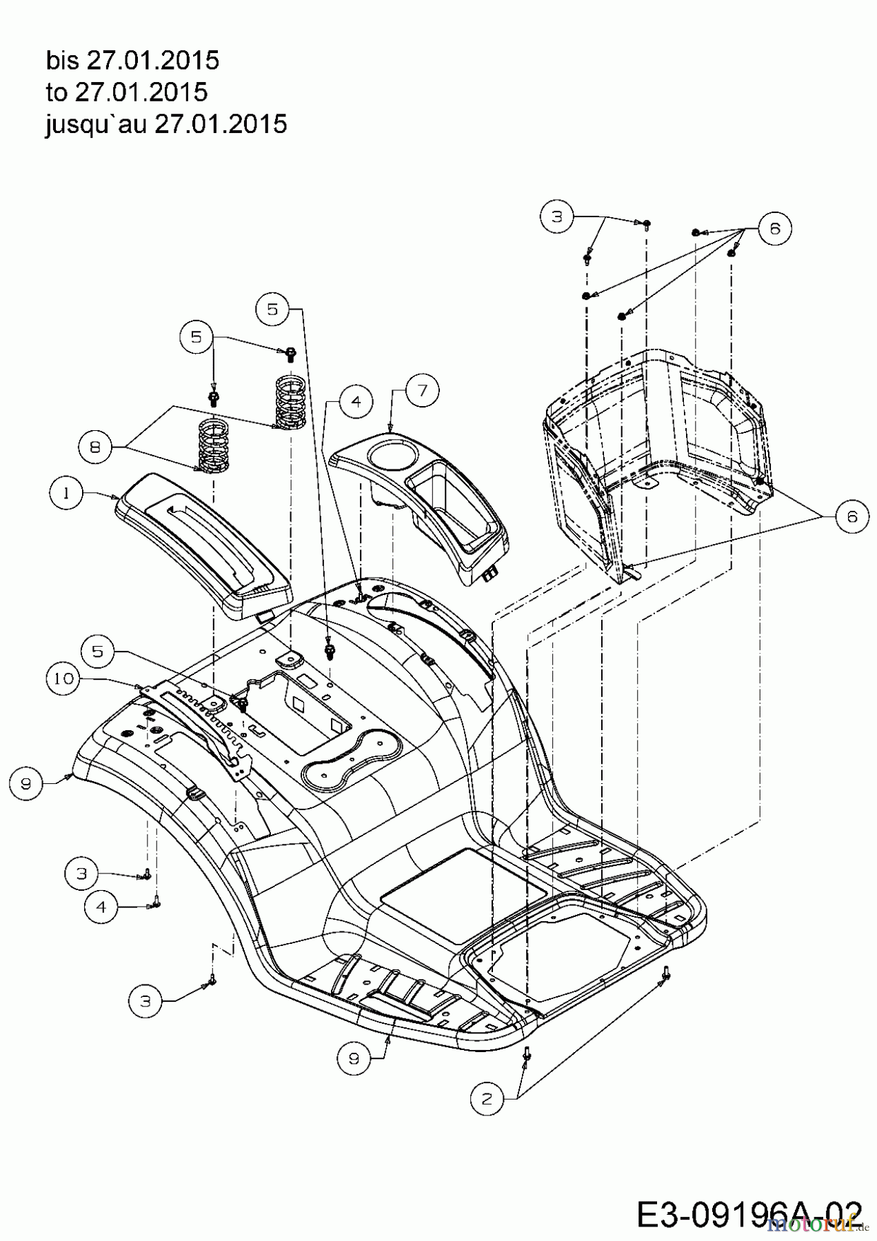
Hier finden Sie die Ersatzteilzeichnung für Cub Cadet Rasentraktoren LX 42" KH 13APA1CS330 (2015) Sitzwanne bis 27.01.2015. Wählen Sie das benötigte Ersatzteil aus der Ersatzteilliste Ihres Cub Cadet Gerätes aus und bestellen Sie einfach online. Viele Cub Cadet Ersatzteile halten wir ständig in unserem Lager für Sie bereit.


Qualitätsmanagement
Informieren Sie uns, wenn Sie einen Fehler gefunden haben.





