Gutbrod HB 40 LBS 02896.05 (1987) Ersatzteile
02896.05 (1987) HB 40 LBS

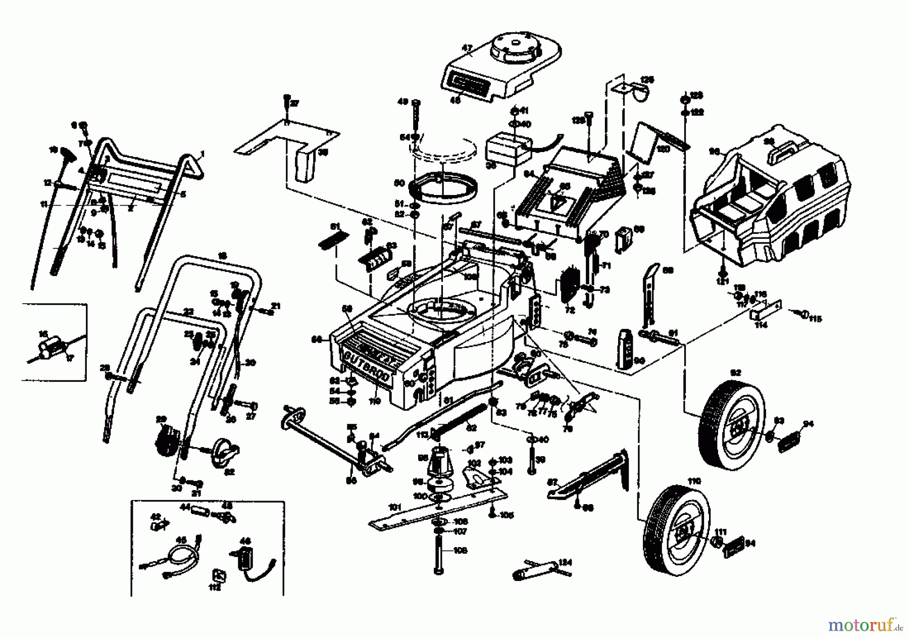
Hier finden Sie die Ersatzteilzeichnung für Gutbrod Motormäher HB 40 LBS 02896.05 (1987) Grundgerät. Wählen Sie das benötigte Ersatzteil aus der Ersatzteilliste Ihres Gutbrod Gerätes aus und bestellen Sie einfach online. Viele Gutbrod Ersatzteile halten wir ständig in unserem Lager für Sie bereit.



