Bolens BL 175/107 T 13EN775G684 (2009) Motorzubehör ab 01.11.2008 Ersatzteile
Motorzubehör ab 01.11.2008 13EN775G684 (2009)

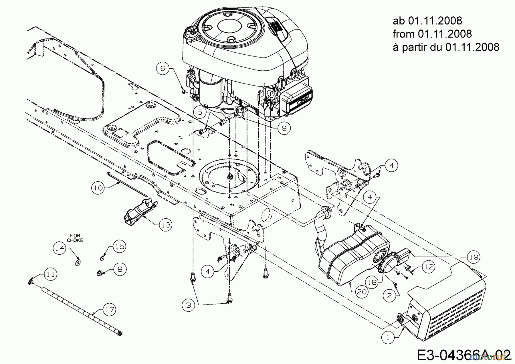
Hier finden Sie die Ersatzteilzeichnung für Bolens Rasentraktoren BL 175/107 T 13EN775G684 (2009) Motorzubehör ab 01.11.2008. Wählen Sie das benötigte Ersatzteil aus der Ersatzteilliste Ihres Bolens Gerätes aus und bestellen Sie einfach online. Viele Bolens Ersatzteile halten wir ständig in unserem Lager für Sie bereit.


Qualitätsmanagement
Informieren Sie uns, wenn Sie einen Fehler gefunden haben.











