Gartenland GL 17.5/105 H 13HN99GN640 (2015) Messer bis 14.01.2015 Ersatzteile
Messer bis 14.01.2015 13HN99GN640 (2015)

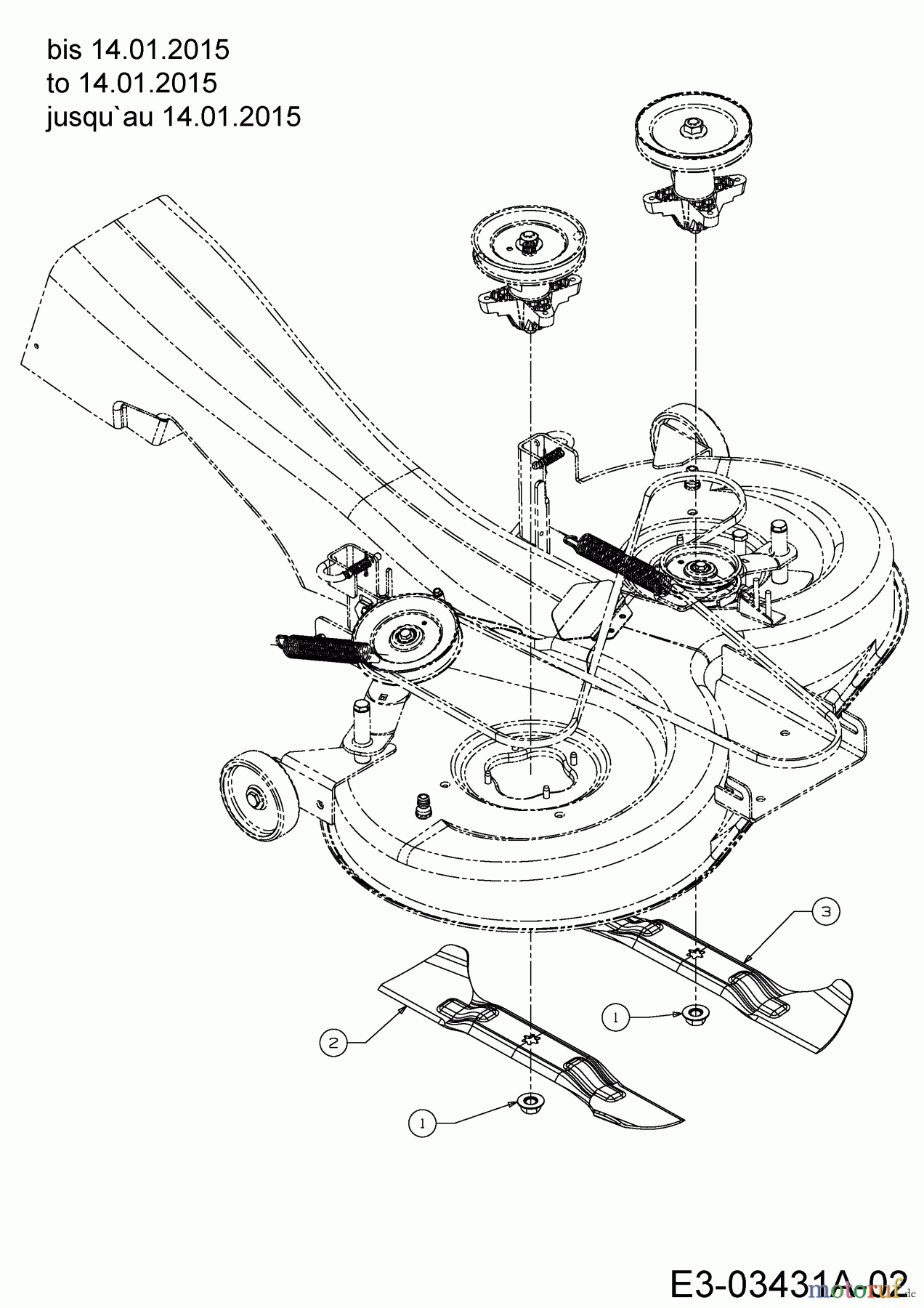
Hier finden Sie die Ersatzteilzeichnung für Gartenland Rasentraktoren GL 17.5/105 H 13HN99GN640 (2015) Messer bis 14.01.2015. Wählen Sie das benötigte Ersatzteil aus der Ersatzteilliste Ihres Gartenland Gerätes aus und bestellen Sie einfach online. Viele Gartenland Ersatzteile halten wir ständig in unserem Lager für Sie bereit.
| BildNr | Artikel Nummer | Bezeichnung | |
| 1 | ![]() | 712-0417A | 6KT-BUNDMUTTER:5/8-18 |
| 2 | ![]() | 742-04080 | MESSER RECHTS 21.24":LOW LIFT |
| 3 | ![]() | 742-04081 | MESSER LINKS: 21.24":LOW LIFT |






