Einstellungen Computer

Gartenland GL 15.5/92 H 13HM99GE640 (2015) Messer bis 14.01.2015 Ersatzteile

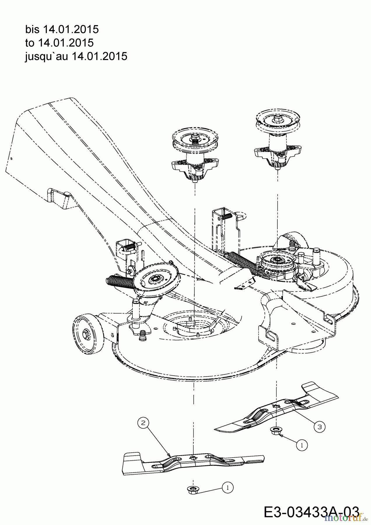
Messer bis 14.01.2015 13HM99GE640 (2015)

 Gartenland Rasentraktoren GL 15.5/92 H 13HM99GE640  (2015) Messer bis 14.01.2015

Hier finden Sie die Ersatzteilzeichnung für Gartenland Rasentraktoren GL 15.5/92 H 13HM99GE640 (2015) Messer bis 14.01.2015. Wählen Sie das benötigte Ersatzteil aus der Ersatzteilliste Ihres Gartenland Gerätes aus und bestellen Sie einfach online. Viele Gartenland Ersatzteile halten wir ständig in unserem Lager für Sie bereit.

Rasen
Bankeinzug, MasterCard, Visa, American Express, PayPal, Nachnahme, Vorauskasse, Sofortüberweisung
Datenschutzerklärung Impressum
Qualitätsmanagement
Informieren Sie uns, wenn Sie einen Fehler gefunden haben.