Cub Cadet RZT 50 17YF2ACP010 (2014) Mähwerk P (50"/127cm) Ersatzteile
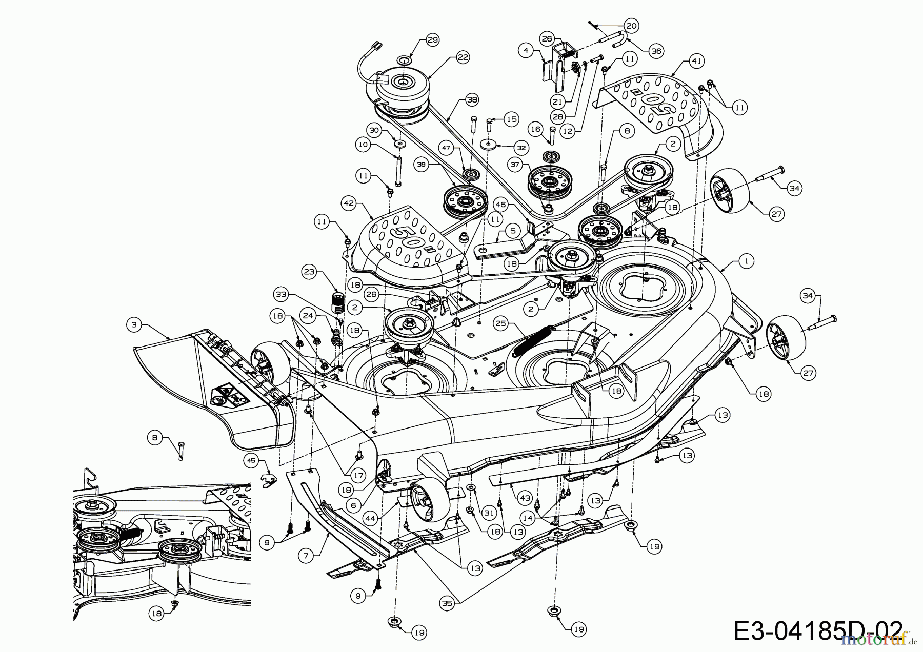
Mähwerk P (50"/127cm) 17YF2ACP010 (2014)

Hier finden Sie die Ersatzteilzeichnung für Cub Cadet Zero Turn RZT 50 17YF2ACP010 (2014) Mähwerk P (50"/127cm). Wählen Sie das benötigte Ersatzteil aus der Ersatzteilliste Ihres Cub Cadet Gerätes aus und bestellen Sie einfach online. Viele Cub Cadet Ersatzteile halten wir ständig in unserem Lager für Sie bereit.


Qualitätsmanagement
Informieren Sie uns, wenn Sie einen Fehler gefunden haben.




























