MTD Minirider 60 SDE 13A326JC600 (2014) Mähwerk C (24"/60cm) Ersatzteile
Mähwerk C (24"/60cm) 13A326JC600 (2014)

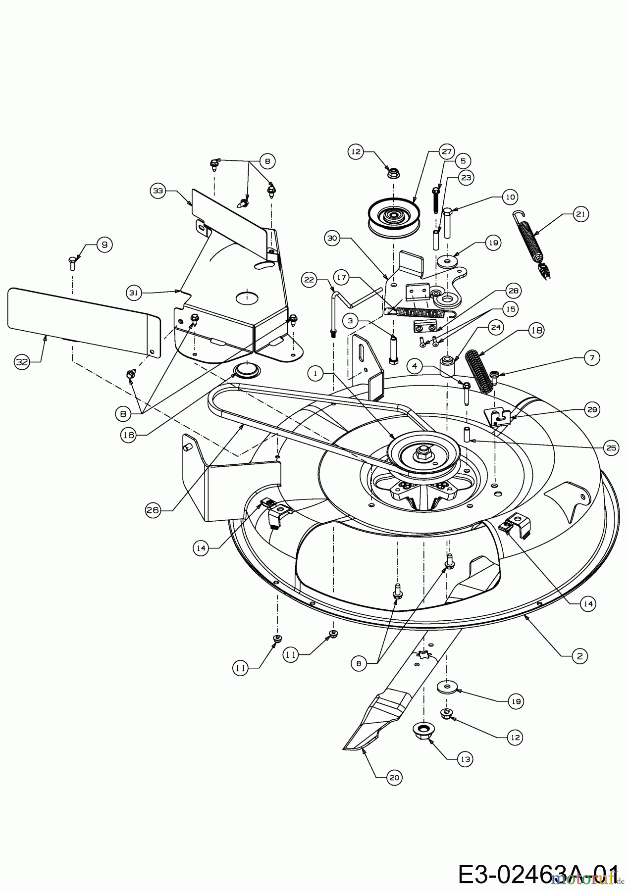
Hier finden Sie die Ersatzteilzeichnung für MTD Rasentraktoren Minirider 60 SDE 13A326JC600 (2014) Mähwerk C (24"/60cm). Wählen Sie das benötigte Ersatzteil aus der Ersatzteilliste Ihres MTD Gerätes aus und bestellen Sie einfach online. Viele MTD Ersatzteile halten wir ständig in unserem Lager für Sie bereit.




















