Einstellungen Computer

MTD Zubehör Streuer 45-0527 (196-545-000) 196-545-000 (2018) Ersatzteile

196-545-000 (2018) 45-0527 (196-545-000)

 MTD Zubehör Zubehör Garten- und Rasentraktoren Streuer 45-0527  (196-545-000) 196-545-000  (2018) Grundgerät

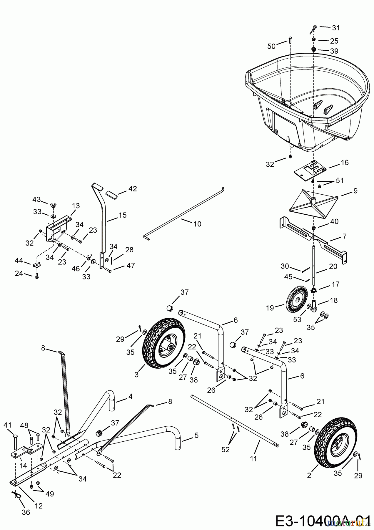
Hier finden Sie die Ersatzteilzeichnung für MTD Zubehör Zubehör Garten- und Rasentraktoren Streuer 45-0527 (196-545-000) 196-545-000 (2018) Grundgerät. Wählen Sie das benötigte Ersatzteil aus der Ersatzteilliste Ihres MTD Zubehör Gerätes aus und bestellen Sie einfach online. Viele MTD Zubehör Ersatzteile halten wir ständig in unserem Lager für Sie bereit.

Rasen
Bankeinzug, MasterCard, Visa, American Express, PayPal, Nachnahme, Vorauskasse, Sofortüberweisung
Datenschutzerklärung Impressum
Qualitätsmanagement
Informieren Sie uns, wenn Sie einen Fehler gefunden haben.