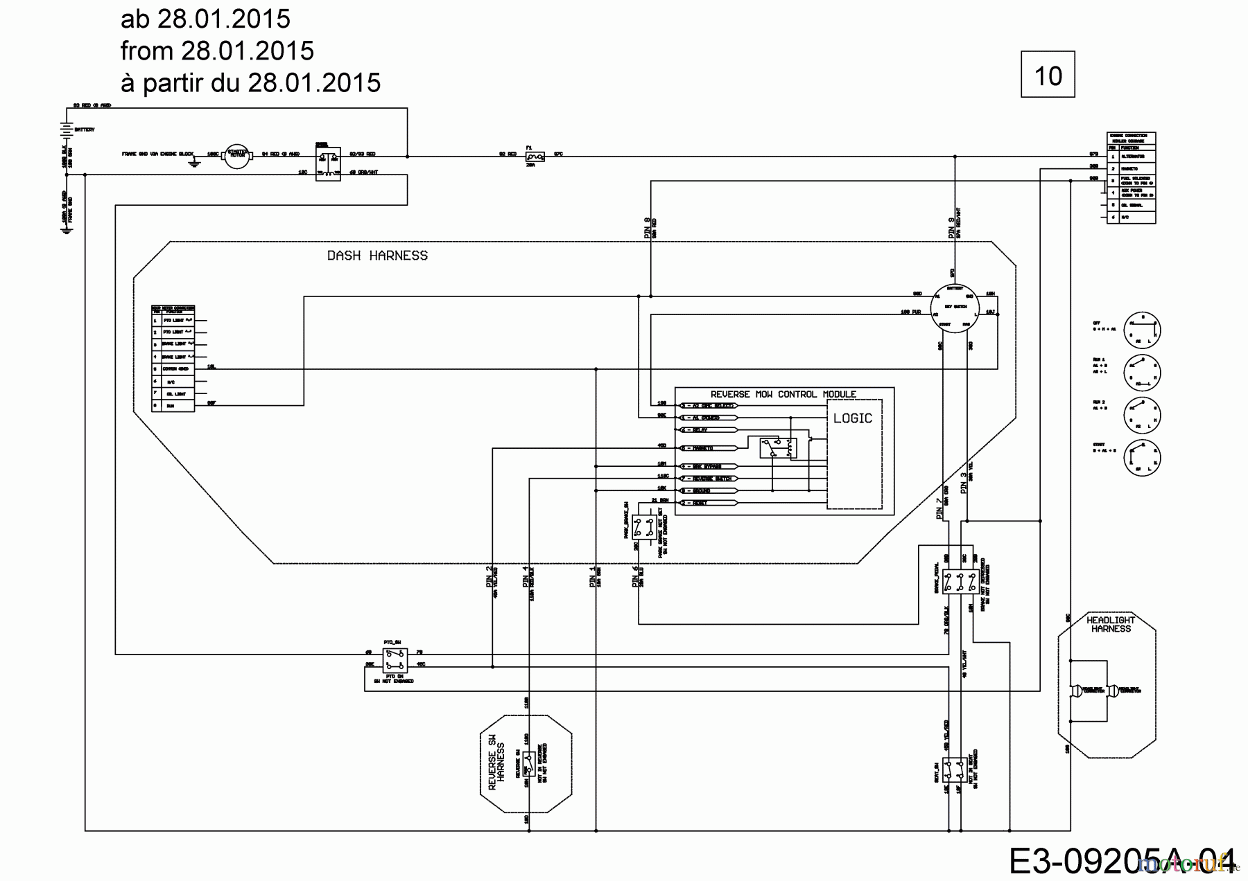
Cub Cadet LX 42" KH 13APA1CS330 (2015) Schaltplan Rückwärtsgang ab 28.01.2015 Ersatzteile
Schaltplan Rückwärtsgang ab 28.01.2015 13APA1CS330 (2015)

Hier finden Sie die Ersatzteilzeichnung für Cub Cadet Rasentraktoren LX 42" KH 13APA1CS330 (2015) Schaltplan Rückwärtsgang ab 28.01.2015. Wählen Sie das benötigte Ersatzteil aus der Ersatzteilliste Ihres Cub Cadet Gerätes aus und bestellen Sie einfach online. Viele Cub Cadet Ersatzteile halten wir ständig in unserem Lager für Sie bereit.
| BildNr | Artikel Nummer | Bezeichnung | |
| 9 | 725-06167 | KABELBAUM:REV:9.75":IN REIHE: | |



