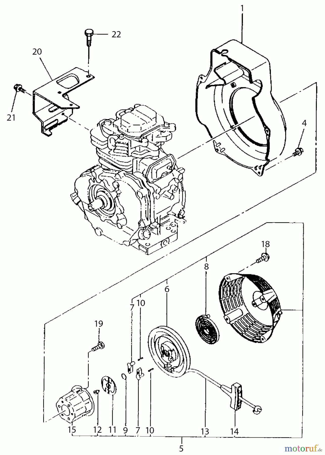
Dolmar GE-5800 (USA) 10 Anwerfvorrichtung, Ventilatorgehäuse Ersatzteile
10 Anwerfvorrichtung, Ventilatorgehäuse GE-5800 (USA)

Hier finden Sie die Ersatzteilzeichnung für Dolmar Stromerzeuger GE-5800 (USA) 10 Anwerfvorrichtung, Ventilatorgehäuse. Wählen Sie das benötigte Ersatzteil aus der Ersatzteilliste Ihres Dolmar Gerätes aus und bestellen Sie einfach online. Viele Dolmar Ersatzteile halten wir ständig in unserem Lager für Sie bereit.



