Dolmar GE-5800 (USA) 9 Reglerhebel Ersatzteile
9 Reglerhebel GE-5800 (USA)

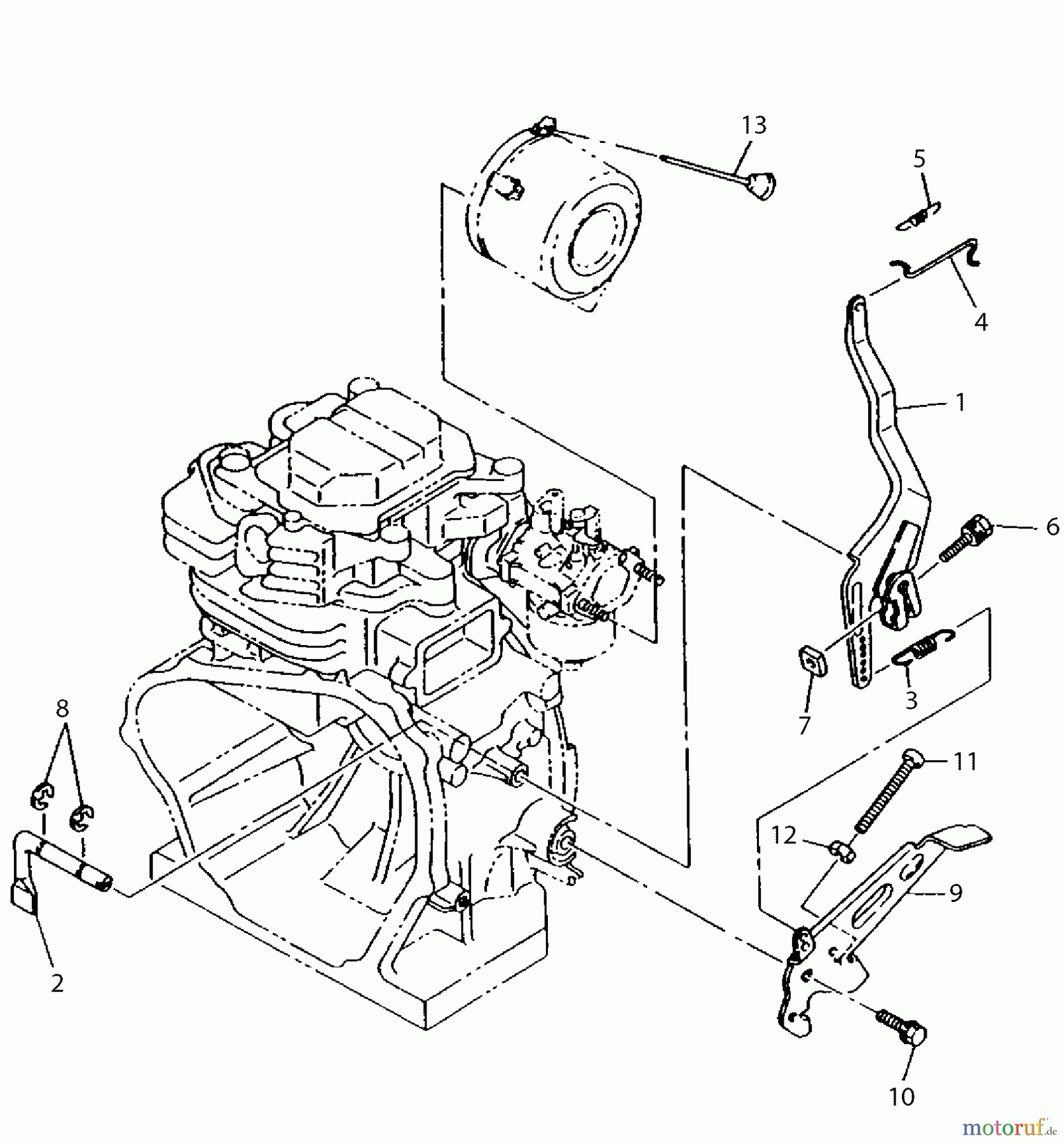
Hier finden Sie die Ersatzteilzeichnung für Dolmar Stromerzeuger GE-5800 (USA) 9 Reglerhebel. Wählen Sie das benötigte Ersatzteil aus der Ersatzteilliste Ihres Dolmar Gerätes aus und bestellen Sie einfach online. Viele Dolmar Ersatzteile halten wir ständig in unserem Lager für Sie bereit.
| BildNr | Artikel Nummer | Bezeichnung | |
| 1 | 368423040 | REGLERHEBEL | |
| 2 | 368422012 | REGLERWELLE | |
| 3 | 368425012 | FEDER | |
| 4 | 368427031 | REGLERSTANGE | |
| 5 | 368428011 | FEDER | |
| 6 | 0011406250 | SCHRAUBE MIT SCHEIBE | |
| 7 | 0186060020 | MUTTER M6X1.0X4.9H | |
| 8 | 0031306000 | SPRENGRING | |
| 9 | 368433100 | DREHZAHLREGLER | |
| 10 | 0011008160 | SCHRAUBE MIT SCHEIBE | |
| 11 | 368310535 | SCHRAUBE | |
| 12 | 381170500 | MUTTER M5 | |
| 13 | 368450060 | EINSTELLSTIFT | |



