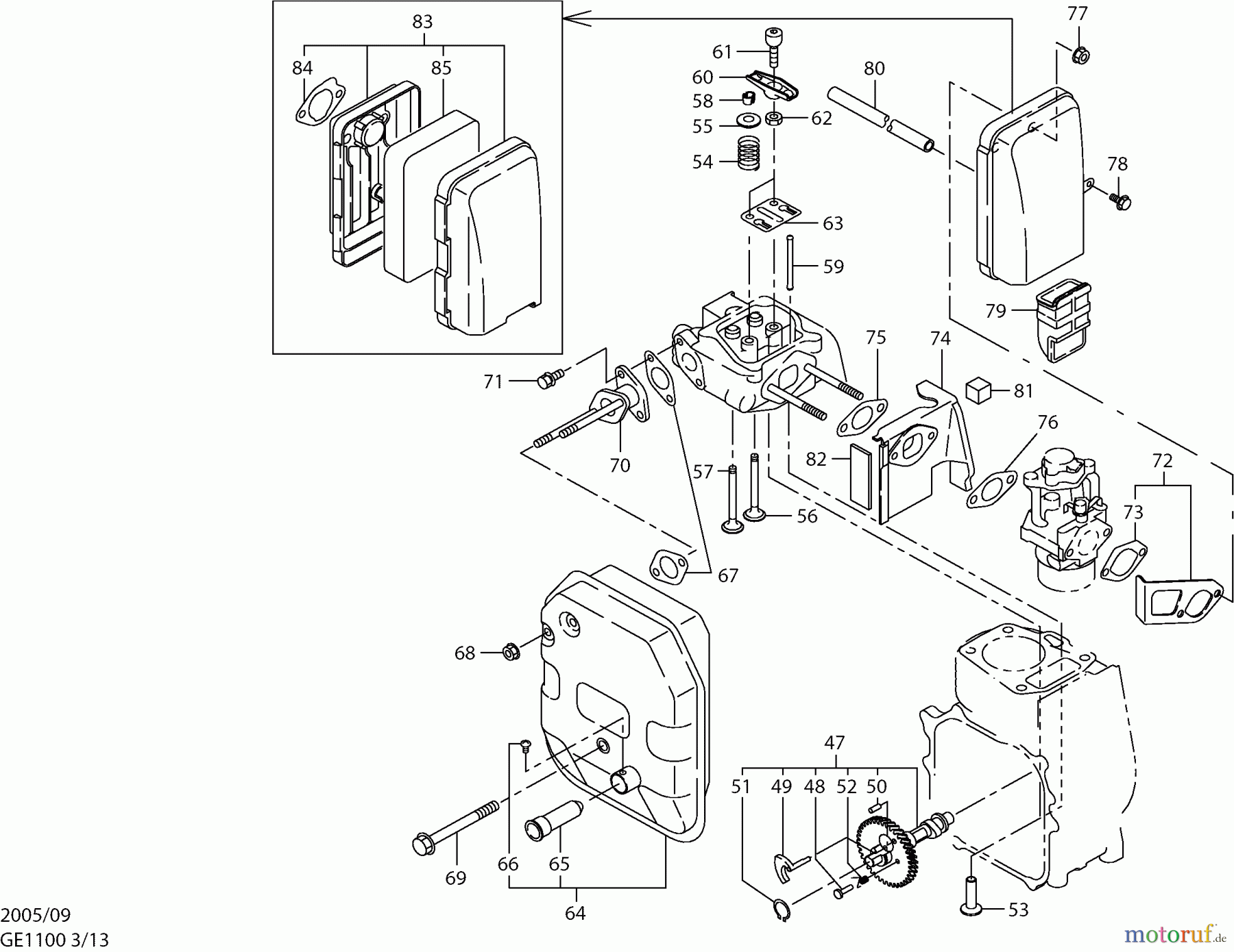
Dolmar GE-1100 3 Ventile, Luftfilter, Schalldämpfer Ersatzteile
3 Ventile, Luftfilter, Schalldämpfer GE-1100

Hier finden Sie die Ersatzteilzeichnung für Dolmar Stromerzeuger GE-1100 3 Ventile, Luftfilter, Schalldämpfer. Wählen Sie das benötigte Ersatzteil aus der Ersatzteilliste Ihres Dolmar Gerätes aus und bestellen Sie einfach online. Viele Dolmar Ersatzteile halten wir ständig in unserem Lager für Sie bereit.



