Dolmar Akku SP-1815 1 SP-1815 Ersatzteile
1 SP-1815 SP-1815

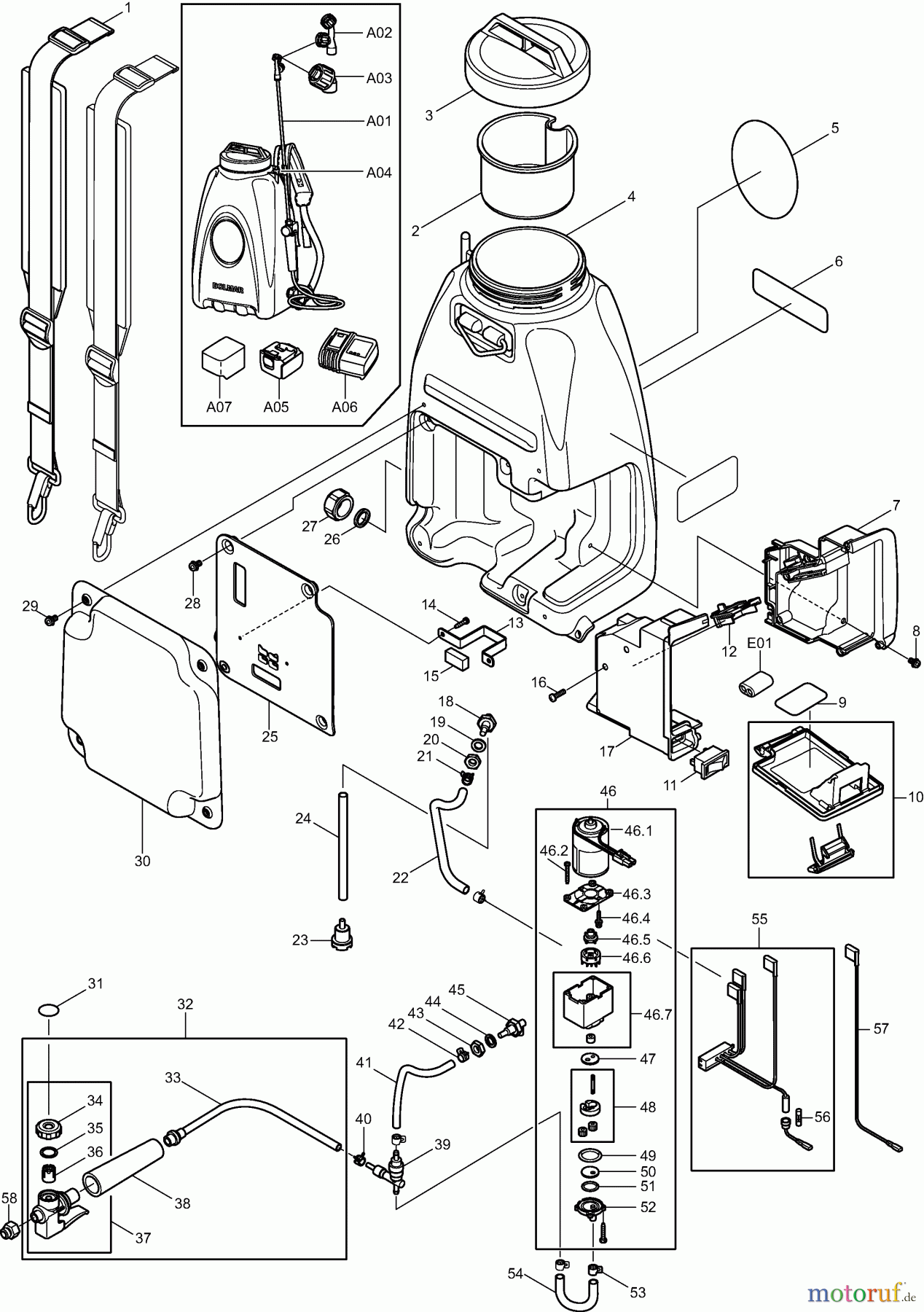
Hier finden Sie die Ersatzteilzeichnung für Dolmar Sprühgeräte Akku SP-1815 1 SP-1815. Wählen Sie das benötigte Ersatzteil aus der Ersatzteilliste Ihres Dolmar Gerätes aus und bestellen Sie einfach online. Viele Dolmar Ersatzteile halten wir ständig in unserem Lager für Sie bereit.



