Dolmar RM7213H RM-72.13 H (2006) 3 LENKGETRIEBE Ersatzteile
3 LENKGETRIEBE RM-72.13 H (2006)

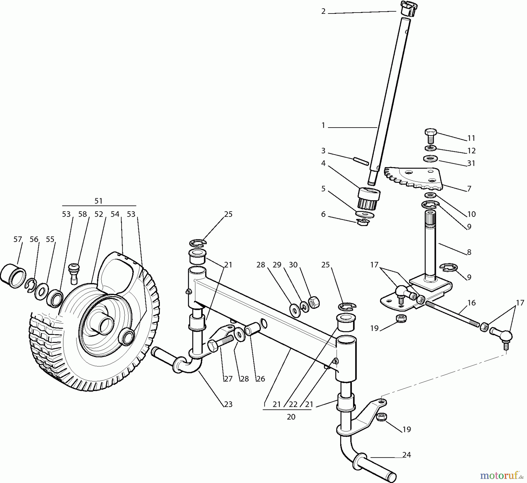
Hier finden Sie die Ersatzteilzeichnung für Dolmar Rasentraktoren RM7213H RM-72.13 H (2006) 3 LENKGETRIEBE. Wählen Sie das benötigte Ersatzteil aus der Ersatzteilliste Ihres Dolmar Gerätes aus und bestellen Sie einfach online. Viele Dolmar Ersatzteile halten wir ständig in unserem Lager für Sie bereit.
| BildNr | Artikel Nummer | Bezeichnung | |
| 1 | 664520050 | LENKSÄULE | |
| 2 | 664038004 | BUCHSE | |
| 3 | 664622650 | STIFT | |
| 4 | 664570050 | RITZEL | |
| 5 | 664521370 | SCHEIBE | |
| 6 | 664436030 | PLÄTTCHEN | |
| 7 | 664735551 | LENKWELLE | |
| 8 | 664999501 | WELLE | |
| 9 | 664001000 | SPRENGRING | |
| 10 | 664520031 | SCHEIBE | |
| 11 | 664793102 | SCHRAUBE | |
| 12 | 664583500 | FEDERRING | |
| 16 | 664840050 | SPANNSTANGE | |
| 17 | 664746609 | GELENK | |
| 19 | ![]() | 664156602 | MUTTER |
| 20 | 664034057 | KIPPHEBEL | |
| 21 | 664034002 | BUCHSE | |
| 22 | 664379511 | FETTBUCHSE | |
| 23 | 664230401 | ACHSSCHENKEL RECHTS | |
| 24 | 664230403 | ACHSSCHENKEL LINKS | |
| 25 | 664001000 | SPRENGRING | |
| 26 | 664600161 | DISTANZRING | |
| 27 | 664692695 | SCHRAUBE | |
| 28 | 664523100 | SCHEIBE | |
| 29 | 664587100 | FEDERRING | |
| 30 | 664295300 | MUTTER | |
| 31 | 664521350 | SCHEIBE | |
| 51 | 664680066 | VORDERRAD | |
| 52 | 664044007 | FELGE | |
| 53 | 664122210 | LAGER | |
| 54 | 664590067 | REIFEN | |
| 55 | 664670005 | SCHEIBE | |
| 56 | 664001000 | SPRENGRING | |
| 57 | ![]() | 664110230 | NABENDECKEL |
| 58 | 664950000 | VENTIL | |


Qualitätsmanagement
Informieren Sie uns, wenn Sie einen Fehler gefunden haben.



