Einkaufswagen
Mein Konto

Dolmar Elektro EM-4016 EM-4016 (2001) 3 EM-4016 Ersatzteile

3 EM-4016 EM-4016 (2001)

 Dolmar Rasenmäher Elektro EM-4016 EM-4016 (2001) 3  EM-4016

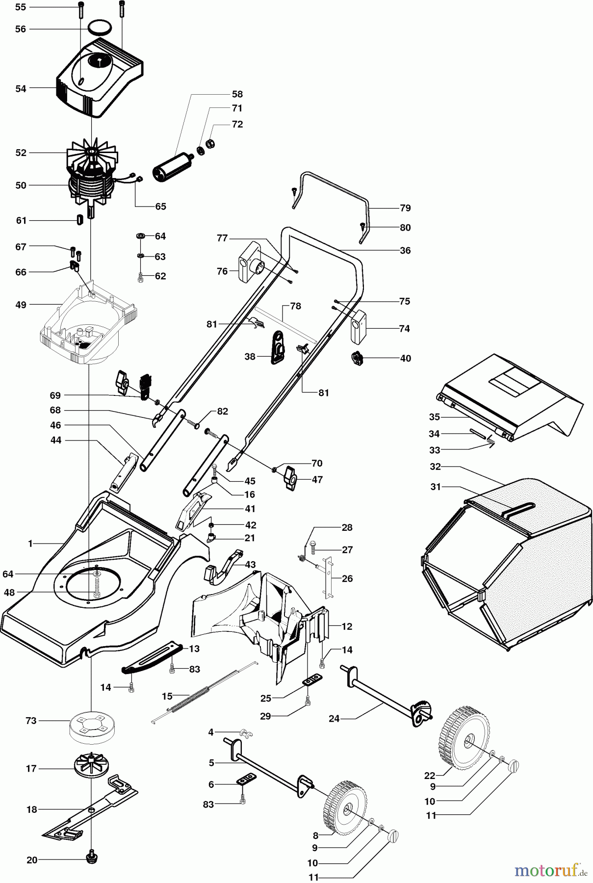
Hier finden Sie die Ersatzteilzeichnung für Dolmar Rasenmäher Elektro EM-4016 EM-4016 (2001) 3 EM-4016. Wählen Sie das benötigte Ersatzteil aus der Ersatzteilliste Ihres Dolmar Gerätes aus und bestellen Sie einfach online. Viele Dolmar Ersatzteile halten wir ständig in unserem Lager für Sie bereit.

BildNrArtikel NummerBezeichnung
1 663548198GEHäUSE ORANGE
4 661300049LAGERSCHALE
5 661300580ACHSE VORNE
6 661300101LAGERPLATTE
8 661300499LAUFRAD VORNE
9 663703790SCHEIBE
10 663702893SICHERUNGSSCHEIBE 10
11 661300509KAPPE
12 663548201HECKTEIL
13 661300494ABDECKUNG
14 908006205SCHRAUBE T M6X20
15 661300522ZUGSTANGE MIT FEDER
16 662300655SCHRAUBENSICHERUNG
17 663513613MESSERHALTER
18 663531486MESSER 1-TEILIG 40 CM
20 663313605MESSERSCHRAUBE
21 662300656MUTTERNISOLIERUNG
22 661300511HINTERRAD
24 661300622ACHSE HINTEN
25 662300623ACHSKLEMMTEIL
26 661300523VERSTELLKULISSE
27 661300521ARRETIERSTIFT
28 661300582FEDER
29 663543556SCHRAUBE 4X20
31 661300658RAHMEN
32 661013071GRASFANGSACK
33 661300604SCHENKELFEDER
34 661300603ZAPFEN
35 663524713HECKKLAPPE TAMPONIERT
36 663548263FüHRUNGSHOLM OBEN RAL 9005
38 663325518KABELHALTERUNG
40 663342887HOLMKLEMME
41 661300515GRIFF
42 Dolmar SECHSKANTMUTTER M6920406000SECHSKANTMUTTER M6
43 661300514ENTRIEGELUNG
44 661300516ISOLIERUNG
45 663703961SCHRAUBE 6X60
46 663548167FüHRUNGSHOLM UNTEN RAL 9005
47 663544757FLüGELMUTTER M6
48 663525798SCHRAUBE PT-KB 8 X 40
49 663548150MOTORGEHäUSE RAL 9005
50 663548176MOTOR 1600 W
52 663319243LüFTERRAD
54 663507964MOTORABDECKUNG
55 663348977SCHRAUBE 4X45
56 663348473SICHTFENSTER
58 663330873KONDENSATOR
61 663700391PAßFEDER
62 9002082046KT-SCHRAUBE M8X20
63 663700201FÄCHERSCHEIBE A8.4
64 663700138SCHEIBE A 8.4
65 663506866KABEL
66 663329947ZUGENTLASTUNG
67 663510281SCHRAUBE 35X20
68 663305786SCHUTZKAPPE
69 663511441KABELFüHRUNG
70 924806400SCHEIBE A 6.4
71 663700150SCHEIBE 8.4
72 663701012MUTTER M8
73 663548177SCHUTZTOPF
74 663508412BüGELLAGER LINKS
75 663349507SCHRAUBE 4X25
76 663516506BüGELLAGER RECHTS
77 663510281SCHRAUBE 35X20
78 663548214STANGE, VERZINKT
79 663548213SCHALTBüGEL RAL 9005
80 663703704SCHRAUBE 3,5X13
81 663511443HALTERUNG
82 663702854SCHRAUBE M6X45
83 663510468SCHRAUBE 6X16
Rasen
Bankeinzug, MasterCard, Visa, American Express, PayPal, Nachnahme, Vorauskasse, Sofortüberweisung
Qualitätsmanagement
Informieren Sie uns, wenn Sie einen Fehler gefunden haben.