Dolmar Benzin PM4810 1 GEHÄUSE, HOLM Ersatzteile
1 GEHÄUSE, HOLM PM4810

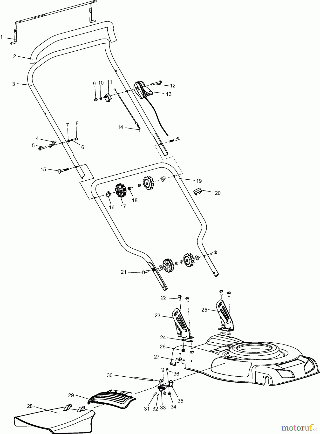
Hier finden Sie die Ersatzteilzeichnung für Dolmar Rasenmäher Benzin PM4810 1 GEHÄUSE, HOLM. Wählen Sie das benötigte Ersatzteil aus der Ersatzteilliste Ihres Dolmar Gerätes aus und bestellen Sie einfach online. Viele Dolmar Ersatzteile halten wir ständig in unserem Lager für Sie bereit.








