Dolmar Benzin 4-Takt MS3354U 3 Motor kpl. Ersatzteile
3 Motor kpl. MS3354U

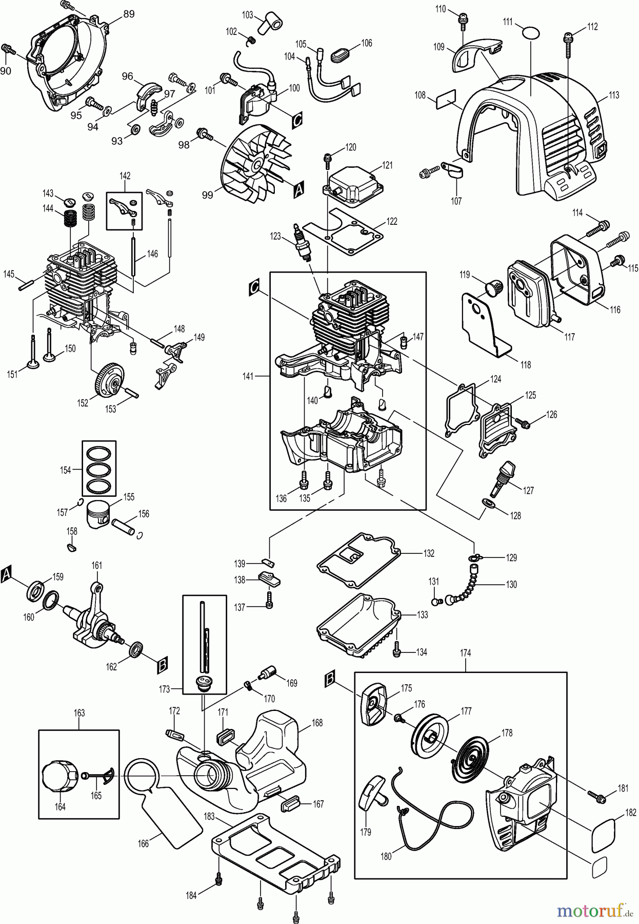
Hier finden Sie die Ersatzteilzeichnung für Dolmar Motorsensen & Trimmer Benzin 4-Takt MS3354U 3 Motor kpl.. Wählen Sie das benötigte Ersatzteil aus der Ersatzteilliste Ihres Dolmar Gerätes aus und bestellen Sie einfach online. Viele Dolmar Ersatzteile halten wir ständig in unserem Lager für Sie bereit.
Häufig benötigte Dolmar Benzin 4-Takt MS3354U 3 Motor kpl. Ersatzteile

Artikelnummer: DR163447-0
Suche nach: 163447-0
Hersteller: Dolmar
Dolmar Ersatzteil 3 Motor kpl.
Suche nach: 163447-0
Hersteller: Dolmar
Dolmar Ersatzteil 3 Motor kpl.
4.79 €
für EU incl. MwSt., zzgl. Versand




