Dolmar Elektro Kettensäge ES43TLC 2 Ölpumpe, Kettenbremse, TLC Ersatzteile
2 Ölpumpe, Kettenbremse, TLC ES43TLC

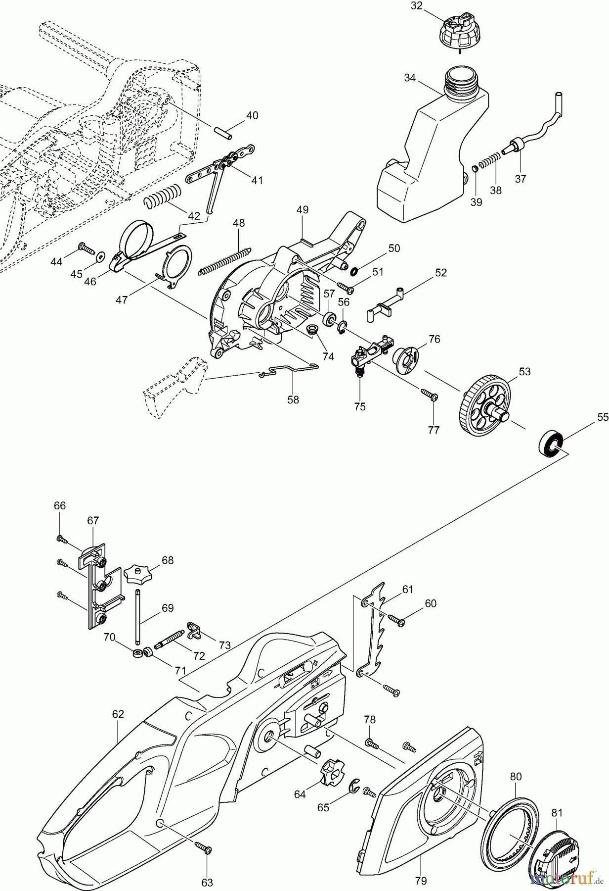
Hier finden Sie die Ersatzteilzeichnung für Dolmar Kettensägen Elektro Kettensäge ES43TLC 2 Ölpumpe, Kettenbremse, TLC. Wählen Sie das benötigte Ersatzteil aus der Ersatzteilliste Ihres Dolmar Gerätes aus und bestellen Sie einfach online. Viele Dolmar Ersatzteile halten wir ständig in unserem Lager für Sie bereit.








