Einkaufswagen
Mein Konto

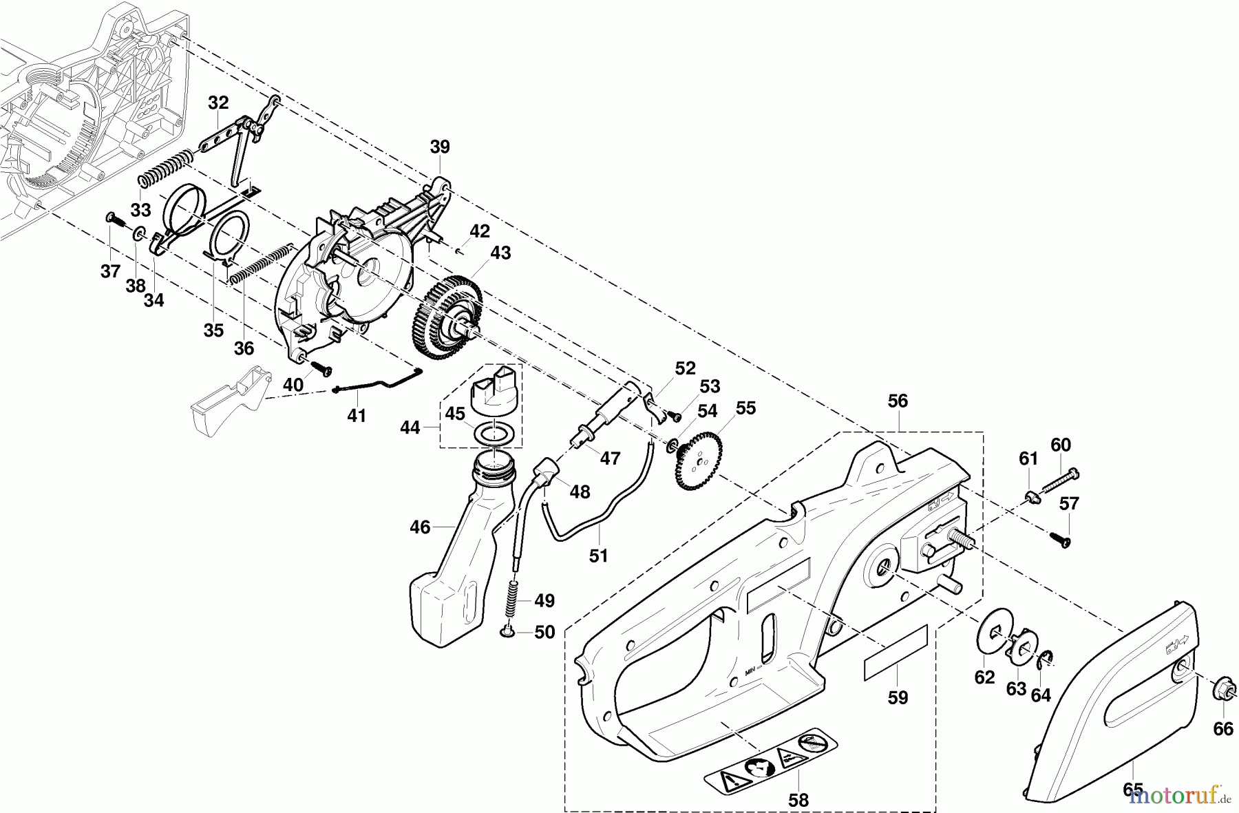
Dolmar Elektro Kettensäge ES-40 A 2 Gehäuse rechts, Getriebe, Kettenbremse Ersatzteile

2 Gehäuse rechts, Getriebe, Kettenbremse ES-40 A

 Dolmar Kettensägen Elektro Kettensäge ES-40 A 2  Gehäuse rechts, Getriebe, Kettenbremse

Hier finden Sie die Ersatzteilzeichnung für Dolmar Kettensägen Elektro Kettensäge ES-40 A 2 Gehäuse rechts, Getriebe, Kettenbremse. Wählen Sie das benötigte Ersatzteil aus der Ersatzteilliste Ihres Dolmar Gerätes aus und bestellen Sie einfach online. Viele Dolmar Ersatzteile halten wir ständig in unserem Lager für Sie bereit.

Rasen
Bankeinzug, MasterCard, Visa, American Express, PayPal, Nachnahme, Vorauskasse, Sofortüberweisung
Qualitätsmanagement
Informieren Sie uns, wenn Sie einen Fehler gefunden haben.