Dolmar Elektro Kettensäge ES-30 3 Motorgehäuse, Motor, Gehäuse MS Ersatzteile
3 Motorgehäuse, Motor, Gehäuse MS ES-30

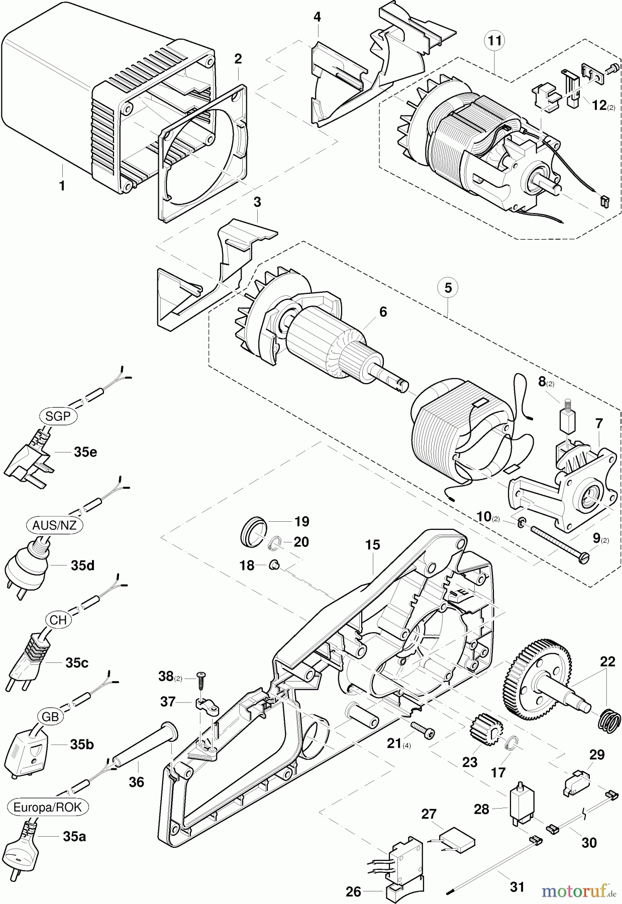
Hier finden Sie die Ersatzteilzeichnung für Dolmar Kettensägen Elektro Kettensäge ES-30 3 Motorgehäuse, Motor, Gehäuse MS. Wählen Sie das benötigte Ersatzteil aus der Ersatzteilliste Ihres Dolmar Gerätes aus und bestellen Sie einfach online. Viele Dolmar Ersatzteile halten wir ständig in unserem Lager für Sie bereit.



