Einstellungen Computer

Dolmar Benzin Kettensäge PS352 3 Kurbelgehäuse MS, Zylinder, Zündung Ersatzteile

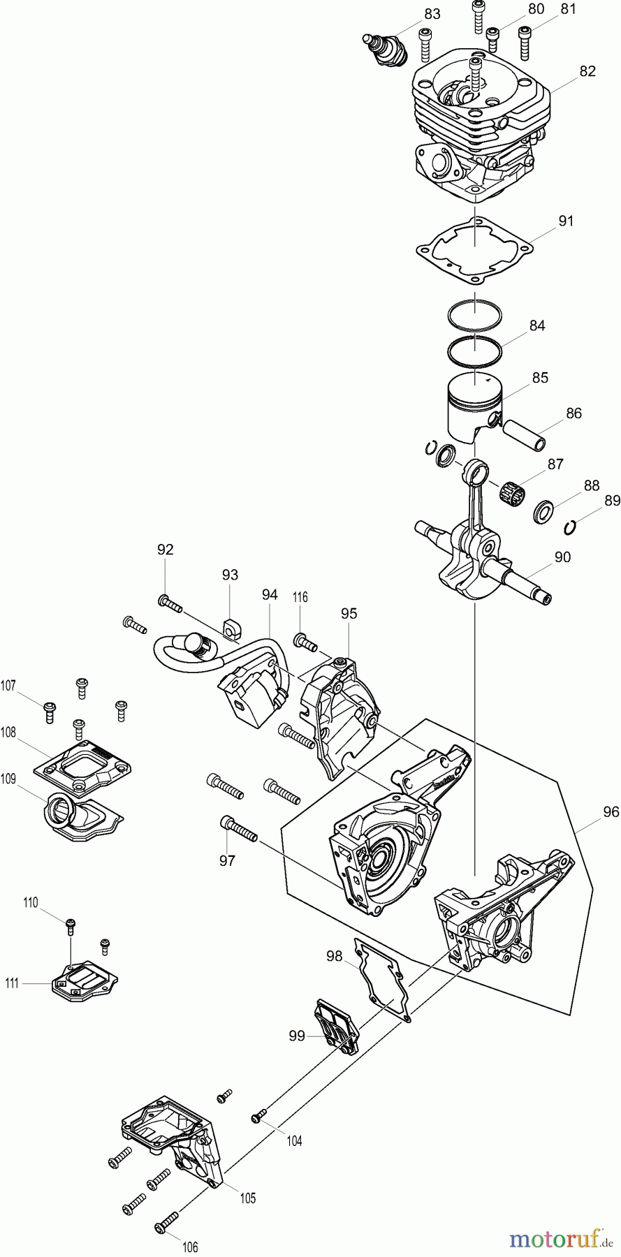
3 Kurbelgehäuse MS, Zylinder, Zündung PS352

 Dolmar Kettensägen Benzin Kettensäge PS352 3  Kurbelgehäuse MS, Zylinder, Zündung

Hier finden Sie die Ersatzteilzeichnung für Dolmar Kettensägen Benzin Kettensäge PS352 3 Kurbelgehäuse MS, Zylinder, Zündung. Wählen Sie das benötigte Ersatzteil aus der Ersatzteilliste Ihres Dolmar Gerätes aus und bestellen Sie einfach online. Viele Dolmar Ersatzteile halten wir ständig in unserem Lager für Sie bereit.

Rasen
Bankeinzug, MasterCard, Visa, American Express, PayPal, Nachnahme, Vorauskasse, Sofortüberweisung
Datenschutzerklärung Impressum
Qualitätsmanagement
Informieren Sie uns, wenn Sie einen Fehler gefunden haben.